Подшипники гост
Интернет-магазин
8-800-250-16-58
Обратный звонок

Заказ обратного звонка




Эл. почта:
info@amost.ru
Свои заказы Корзина пуста





Получать прайс-лист на email:

Чтобы отписаться от рассылки, введите e-mail, на который вы получаете наши письма:

 

Поиск подшипников

Масса и размеры

Внутренний диаметр d, мм

От  до 

Наружный диаметр D, мм

От  до 

Ширина b, мм

Применяемость

Раздел каталога

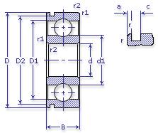
Подшипник шариковый радиальный однорядный с канавкой на наружном кольце

50116 А ТУ 003

Отечественный
Импортный

Производитель



уточнять наличие
Обозначение 50116 А ТУ 003
Внутренний диаметр, d (мм) 80
Наружный диаметр, D (мм) 125
Ширина, В (мм) 22
Масса, m (кг) 0.8500
Грузоподъемность динамическая, C (kN) 47.5
Грузоподъемность статическая, Co (kN) 40
Ном. частота вращен. при пластич. смазке, n grease (1/min) 5300
Марка стали, Материал ШХ-15
Диаметр шарика, d шарика (мм) 13.494
Количество шариков, N шариков 14
Ном. частота вращен. при жидк. смазке, n oil (1/min) 63000
50116 А ТУ 003
Бренд Обозначение
ГПЗ 50116
SKF 6016N
FAG 6016N
NSK 6016N
Товар добавлен в корзину
Перейти в корзину ×