Подшипники гост
Интернет-магазин
8-800-250-16-58
Обратный звонок

Заказ обратного звонка




Эл. почта:
info@amost.ru
Свои заказы Корзина пуста





Получать прайс-лист на email:

Чтобы отписаться от рассылки, введите e-mail, на который вы получаете наши письма:

 

Поиск подшипников

Масса и размеры

Внутренний диаметр d, мм

От  до 

Наружный диаметр D, мм

От  до 

Ширина b, мм

Применяемость

Раздел каталога

Подшипник шариковый радиальный однорядный с канавкой на наружном кольце

50115 ГОСТ 520

Отечественный
Импортный

Производитель



уточнять наличие
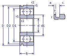
Обозначение 50115 ГОСТ 520
Внутренний диаметр, d (мм) 75
Наружный диаметр, D (мм) 115
Ширина, В (мм) 20
Масса, m (кг) 0.6100
Грузоподъемность динамическая, C (kN) 39.7
Грузоподъемность статическая, Co (kN) 33.5
Ном. частота вращен. при пластич. смазке, n grease (1/min) 5600
Марка стали, Материал ШХ-15
Диаметр шарика, d шарика (мм) 12.303
Количество шариков, N шариков 13
Ном. частота вращен. при жидк. смазке, n oil (1/min) 6700
50115 ГОСТ 520
Марка Модель Узел Кол-во на узел
Трактор Т-151К с двигателем СМД-62/63 Муфта задняя -
Трактор Т-151К с двигателем СМД-62/63 Муфта передняя -
Трактор Т-151К с двигателем СМД-62А/63А Муфта задняя -
Трактор Т-151К с двигателем СМД-62А/63А Муфта передняя -
Бренд Обозначение
ГПЗ 50115
SKF 6015N
FAG 6015N
NSK 6015N
Товар добавлен в корзину
Перейти в корзину ×