Подшипники гост
Интернет-магазин
8-800-250-16-58
Обратный звонок

Заказ обратного звонка




Эл. почта:
info@amost.ru
Свои заказы Корзина пуста





Получать прайс-лист на email:

Чтобы отписаться от рассылки, введите e-mail, на который вы получаете наши письма:

 

Поиск подшипников

Масса и размеры

Внутренний диаметр d, мм

От  до 

Наружный диаметр D, мм

От  до 

Ширина b, мм

Применяемость

Раздел каталога

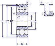
Подшипник шариковый радиальный однорядный с канавкой на наружном кольце

50109 АКШ1 ГОСТ 520

Отечественный
Импортный

Производитель



уточнять наличие
Обозначение 50109 АКШ1 ГОСТ 520
Внутренний диаметр, d (мм) 45
Наружный диаметр, D (мм) 75
Ширина, В (мм) 16
Масса, m (кг) 0.2500
Грузоподъемность динамическая, C (kN) 36.4
Грузоподъемность статическая, Co (kN) 21.6
Ном. частота вращен. при пластич. смазке, n grease (1/min) 7500
Марка стали, Материал ШХ-15
Ном. частота вращен. при жидк. смазке, n oil (1/min) 9000
50109 АКШ1 ГОСТ 520
Бренд Обозначение
ГПЗ 50109
SKF 6009N
FAG 6009N
NSK 6009N
Товар добавлен в корзину
Перейти в корзину ×