Подшипники гост
Интернет-магазин
8-800-250-16-58
Обратный звонок

Заказ обратного звонка




Эл. почта:
info@amost.ru
Свои заказы Корзина пуста





Получать прайс-лист на email:

Чтобы отписаться от рассылки, введите e-mail, на который вы получаете наши письма:

 

Поиск подшипников

Масса и размеры

Внутренний диаметр d, мм

От  до 

Наружный диаметр D, мм

От  до 

Ширина b, мм

Применяемость

Раздел каталога

Подшипник шариковый радиальный однорядный

7000106 АШ1 ГОСТ 520

Отечественный
Импортный
Цена: 64.00 руб

Производитель



под заказ
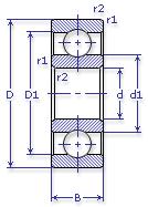
Обозначение 7000106 АШ1 ГОСТ 520
Внутренний диаметр, d (мм) 30
Наружный диаметр, D (мм) 55
Ширина, В (мм) 9
Масса, m (кг) 0.0900
Грузоподъемность динамическая, C (kN) 11.2
Грузоподъемность статическая, Co (kN) 5.9
Ном. частота вращен. при пластич. смазке, n grease (1/min) 12000
Диаметр шарика, d шарика (мм) 5.556
Количество шариков, N шариков 14
Ном. частота вращен. при жидк. смазке, n oil (1/min) 15000
7000106 АШ1 ГОСТ 520
Бренд Обозначение
ГПЗ 7000106
SKF 16006
FAG 16006
NSK 16006
Товар добавлен в корзину
Перейти в корзину ×