Подшипники гост
Интернет-магазин
8-800-250-16-58
Обратный звонок

Заказ обратного звонка




Эл. почта:
info@amost.ru
Свои заказы Корзина пуста





Получать прайс-лист на email:

Чтобы отписаться от рассылки, введите e-mail, на который вы получаете наши письма:

 

Поиск подшипников

Масса и размеры

Внутренний диаметр d, мм

От  до 

Наружный диаметр D, мм

От  до 

Ширина b, мм

Применяемость

Раздел каталога

Подшипник шариковый радиальный однорядный основного конструктивного исполнения

412 АК ТУ 003

Отечественный
Импортный

Производитель



уточнять наличие
Обозначение 412 АК ТУ 003
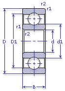
Внутренний диаметр, d (мм) 60
Наружный диаметр, D (мм) 150
Ширина, В (мм) 35
Масса, m (кг) 2.41
Грузоподъемность динамическая, C (kN) 108
Грузоподъемность статическая, Co (kN) 70
Ном. частота вращен. при пластич. смазке, n grease (1/min) 4880
Марка стали, Материал ШХ-15
Диаметр шарика, d шарика (мм) 28.575
Количество шариков, N шариков 7
Ном. частота вращен. при жидк. смазке, n oil (1/min) 5600
412 АК ТУ 003

Этот подшипник может быть заменен другими:

Подшипник 50412 — Условие отсутствует

Марка Модель Узел Кол-во на узел
БелАЗ 549(75т) Коробка отбора мощности 1
БелАЗ 7420-9590 Коробка отбора мощности 1
БелАЗ 7509 Коробка отбора мощности 1
БелАЗ 75091(75т) Коробка отбора мощности 1
БелАЗ 7519 Коробка отбора мощности 1
БелАЗ 75191(110т) Коробка отбора мощности 1
БелАЗ 75211(180т) Коробка отбора мощности 1
КрАЗ 214Б Лебедка: червяк, опора передняя -
КрАЗ 255 Лебедка 1
КрАЗ 255 Лебедка -
КрАЗ 255Б1 Лебедка 1
КрАЗ 255Б1 Лебедка -
КрАЗ 255Б1А Лебедка 1
КрАЗ 255Б1А Лебедка -
КрАЗ 255В1 Лебедка 1
КрАЗ 255В1 Лебедка -
КрАЗ 255Л1 Лебедка 1
КрАЗ 255Л1 Лебедка -
КрАЗ 260 Лебедка с приводом 1
КрАЗ 260А Лебедка с приводом 1
КрАЗ 260Г Лебедка с приводом 1
КрАЗ 260Г Мост задний 1
КрАЗ 260Г Мост средний 1
КрАЗ 260С Лебедка с приводом 1
МАЗ 537 Коробка раздаточная 1
МАЗ 537Г Коробка раздаточная 1
МАЗ 543 Коробка раздаточная 1
МАЗ 7310 Коробка раздаточная 1
МАЗ 73101 Коробка раздаточная 1
МАЗ 7410 Коробка раздаточная 1
Трактор ДТ-75МВ Двигатель: муфта сцепления 1
Трактор К-701 Коробка передач 1
Трактор Т-4А Муфта включения -
Трактор Т-75МВ с двигателем А-41 Двигатель: муфта сцепления -
Трактор ТТ-4М Муфта сцепления -
Трактор ТТ-4М-01 Муфта сцепления -
Бренд Обозначение
ГПЗ 412
SKF 6412
FAG 6412
NSK 6412
Товар добавлен в корзину
Перейти в корзину ×