Подшипники гост
Интернет-магазин
8-800-250-16-58
Обратный звонок

Заказ обратного звонка




Эл. почта:
info@amost.ru
Свои заказы Корзина пуста





Получать прайс-лист на email:

Чтобы отписаться от рассылки, введите e-mail, на который вы получаете наши письма:

 

Поиск подшипников

Масса и размеры

Внутренний диаметр d, мм

От  до 

Наружный диаметр D, мм

От  до 

Ширина b, мм

Применяемость

Раздел каталога

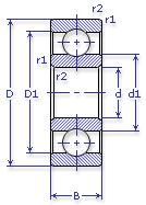
Подшипник шариковый радиальный однорядный основного конструктивного исполнения

316 А ГОСТ 520

Отечественный
Импортный

Производитель



уточнять наличие
Обозначение 316 А ГОСТ 520
Внутренний диаметр, d (мм) 80
Наружный диаметр, D (мм) 170
Ширина, В (мм) 39
Масса, m (кг) 3.6900
Грузоподъемность динамическая, C (kN) 124
Грузоподъемность статическая, Co (kN) 80
Ном. частота вращен. при пластич. смазке, n grease (1/min) 3800
Марка стали, Материал ШХ-15
Диаметр шарика, d шарика (мм) 28.575
Количество шариков, N шариков 8
Ном. частота вращен. при жидк. смазке, n oil (1/min) 4500
316 А ГОСТ 520

Этот подшипник может быть заменен другими:

Подшипник 50316 — Условие отсутствует

Подшипник 60316 — При условии демонтажа одной защитной шайбы

Подшипник 160316 — При условии демонтажа одной защитной шайбы

Подшипник 150316 — При условии демонтажа одной защитной шайбы (п/ш с канавкой)

Подшипник 80316 — При условии демонтажа 2-х защитных шайб

Подшипник 180316 — При условии демонтажа 2-х защитных шайб

Подшипник 450316 — При условии демонтажа 2-х защитных шайб

Марка Модель Узел Кол-во на узел
БелАЗ 7548(42т) Коробка передач 2
МАЗ 537 Коробка раздаточная 2
МАЗ 537 Передача повышающая 5
МАЗ 537Г Коробка раздаточная 2
МАЗ 537Г Передача повышающая 5
МАЗ 538 Коробка передач гидромеханическая 2
МАЗ 543 Коробка раздаточная 2
МАЗ 7310 Коробка раздаточная 2
МАЗ 73101 Коробка раздаточная 2
МАЗ 7410 Коробка раздаточная 1
МоАЗ 6401-9585 Коробка передач гидромеханическая 1
Трактор К-701 Коробка передач 1
Бренд Обозначение
ГПЗ 316
SKF 6316
FAG 6316
NSK 6316
Товар добавлен в корзину
Перейти в корзину ×