Подшипники гост
Интернет-магазин
8-800-250-16-58
Обратный звонок

Заказ обратного звонка




Эл. почта:
info@amost.ru
Свои заказы Корзина пуста





Получать прайс-лист на email:

Чтобы отписаться от рассылки, введите e-mail, на который вы получаете наши письма:

 

Поиск подшипников

Масса и размеры

Внутренний диаметр d, мм

От  до 

Наружный диаметр D, мм

От  до 

Ширина b, мм

Применяемость

Раздел каталога

Подшипник шариковый радиальный однорядный основного конструктивного исполнения

221 АШ1 ГОСТ 520

Отечественный
Импортный
Цена: 811.00 руб

Производитель



под заказ
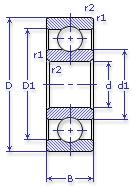
Обозначение 221 АШ1 ГОСТ 520
Внутренний диаметр, d (мм) 105
Наружный диаметр, D (мм) 190
Ширина, В (мм) 36
Масса, m (кг) 3.63
Грузоподъемность динамическая, C (kN) 133
Грузоподъемность статическая, Co (kN) 95
Ном. частота вращен. при пластич. смазке, n grease (1/min) 3200
Марка стали, Материал ШХ-15
Диаметр шарика, d шарика (мм) 26.988
Количество шариков, N шариков 10
Ном. частота вращен. при жидк. смазке, n oil (1/min) 3800
221 АШ1 ГОСТ 520

Этот подшипник может быть заменен другими:

Подшипник 80221 — При условии демонтажа 2-х защитных шайб

Марка Модель Узел Кол-во на узел
Трамвайный вагон РВ3-6М2 Пара колесная 4
Бренд Обозначение
ГПЗ 221
SKF 6221
FAG 6221
NSK 6221
Товар добавлен в корзину
Перейти в корзину ×