Подшипники гост
Интернет-магазин
8-800-250-16-58
Обратный звонок

Заказ обратного звонка




Эл. почта:
info@amost.ru
Свои заказы Корзина пуста





Получать прайс-лист на email:

Чтобы отписаться от рассылки, введите e-mail, на который вы получаете наши письма:

 

Поиск подшипников

Масса и размеры

Внутренний диаметр d, мм

От  до 

Наружный диаметр D, мм

От  до 

Ширина b, мм

Применяемость

Раздел каталога

Подшипник шариковый радиальный однорядный основного конструктивного исполнения

324 КТ ТУ 37.006.165

Отечественный
Импортный

Производитель



уточнять наличие
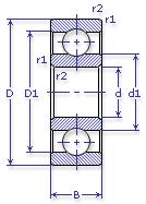
Обозначение 324 КТ ТУ 37.006.165
Внутренний диаметр, d (мм) 120
Наружный диаметр, D (мм) 260
Ширина, В (мм) 55
Масса, m (кг) 12.3
Грузоподъемность динамическая, C (kN) 217
Грузоподъемность статическая, Co (kN) 180
Ном. частота вращен. при пластич. смазке, n grease (1/min) 2400
Марка стали, Материал ШХ-15
Диаметр шарика, d шарика (мм) 42.862
Количество шариков, N шариков 8
Ном. частота вращен. при жидк. смазке, n oil (1/min) 3000
324 КТ ТУ 37.006.165
Марка Модель Узел Кол-во на узел
Станкостроение Не указано Не указано -
Бренд Обозначение
ГПЗ 324
SKF 6324
FAG 6324
NSK 6324
Товар добавлен в корзину
Перейти в корзину ×