Подшипники гост
Интернет-магазин
8-800-250-16-58
Обратный звонок

Заказ обратного звонка




Эл. почта:
info@amost.ru
Свои заказы Корзина пуста





Получать прайс-лист на email:

Чтобы отписаться от рассылки, введите e-mail, на который вы получаете наши письма:

 

Поиск подшипников

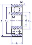
Масса и размеры

Внутренний диаметр d, мм

От  до 

Наружный диаметр D, мм

От  до 

Ширина b, мм

Применяемость

Раздел каталога

Подшипник шариковый радиальный однорядный основного конструктивного исполнения

319 Л5 ГОСТ 520

Отечественный
Импортный

Производитель



уточнять наличие
Обозначение 319 Л5 ГОСТ 520
Внутренний диаметр, d (мм) 95
Наружный диаметр, D (мм) 200
Ширина, В (мм) 45
Масса, m (кг) 5.7
Грузоподъемность динамическая, C (kN) 153
Грузоподъемность статическая, Co (kN) 1100
Ном. частота вращен. при пластич. смазке, n grease (1/min) 3200
Марка стали, Материал ШХ-15
Диаметр шарика, d шарика (мм) 34.925
Количество шариков, N шариков 8
Ном. частота вращен. при жидк. смазке, n oil (1/min) 3800
319 Л5 ГОСТ 520

Этот подшипник может быть заменен другими:

Подшипник 50319 — Условие отсутствует

Подшипник 60319 — При условии демонтажа одной защитной шайбы

Подшипник 150319 — При условии демонтажа одной защитной шайбы (п/ш с канавкой)

Подшипник 80319 — При условии демонтажа 2-х защитных шайб

Подшипник 450319 — При условии демонтажа 2-х защитных шайб

Марка Модель Узел Кол-во на узел
БелАЗ 7420-9590 Электродвигатель тяговый 1
Трактор ДТ-20 Двигатель: вал коленчатый 1
Бренд Обозначение
ГПЗ 319
SKF 6319
FAG 6319
NSK 6319
Товар добавлен в корзину
Перейти в корзину ×