Подшипники гост
Интернет-магазин
8-800-250-16-58
Обратный звонок

Заказ обратного звонка




Эл. почта:
info@amost.ru
Свои заказы Корзина пуста





Получать прайс-лист на email:

Чтобы отписаться от рассылки, введите e-mail, на который вы получаете наши письма:

 

Поиск подшипников

Масса и размеры

Внутренний диаметр d, мм

От  до 

Наружный диаметр D, мм

От  до 

Ширина b, мм

Применяемость

Раздел каталога

Подшипник шариковый радиальный однорядный основного конструктивного исполнения

318 Л ГОСТ 520

Отечественный
Импортный

Производитель



уточнять наличие
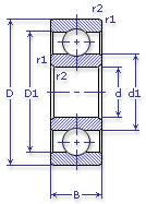
Обозначение 318 Л ГОСТ 520
Внутренний диаметр, d (мм) 90
Наружный диаметр, D (мм) 190
Ширина, В (мм) 43
Масса, m (кг) 4.98
Грузоподъемность динамическая, C (kN) 143
Грузоподъемность статическая, Co (kN) 100
Ном. частота вращен. при пластич. смазке, n grease (1/min) 3400
Марка стали, Материал ШХ-15
Диаметр шарика, d шарика (мм) 31.75
Количество шариков, N шариков 8
Ном. частота вращен. при жидк. смазке, n oil (1/min) 4000
Диаметр борта наружного кольца, D1(mm) 159
Диаметр борта внутреннего кольца, d1 (mm) 121
Радиус фаски, r1, r2 min (мм) 3
318 Л ГОСТ 520

Этот подшипник может быть заменен другими:

Подшипник 80318 — При условии демонтажа 2-х защитных шайб

Марка Модель Узел Кол-во на узел
МоАЗ 6507 Коробка передач гидромеханическая 1
Бренд Обозначение
ГПЗ 318
SKF 6318
FAG 6318
NSK 6318
Товар добавлен в корзину
Перейти в корзину ×