Подшипники гост
Интернет-магазин
8-800-250-16-58
Обратный звонок

Заказ обратного звонка




Эл. почта:
info@amost.ru
Свои заказы Корзина пуста





Получать прайс-лист на email:

Чтобы отписаться от рассылки, введите e-mail, на который вы получаете наши письма:

 

Поиск подшипников

Масса и размеры

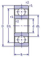
Внутренний диаметр d, мм

От  до 

Наружный диаметр D, мм

От  до 

Ширина b, мм

Применяемость

Раздел каталога

Подшипник шариковый радиальный однорядный основного конструктивного исполнения

317 ТУ 37.006.170

Отечественный
Импортный

Производитель



уточнять наличие
Обозначение 317 ТУ 37.006.170
Внутренний диаметр, d (мм) 85
Наружный диаметр, D (мм) 180
Ширина, В (мм) 41
Масса, m (кг) 4.24
Грузоподъемность динамическая, C (kN) 133
Грузоподъемность статическая, Co (kN) 90
Ном. частота вращен. при пластич. смазке, n grease (1/min) 3600
Марка стали, Материал ШХ-15
Диаметр шарика, d шарика (мм) 30.162
Количество шариков, N шариков 8
Ном. частота вращен. при жидк. смазке, n oil (1/min) 4300
317 ТУ 37.006.170

Этот подшипник может быть заменен другими:

Подшипник 50317 — Условие отсутствует

Подшипник 60317 — При условии демонтажа одной защитной шайбы

Подшипник 150317 — При условии демонтажа одной защитной шайбы (п/ш с канавкой)

Подшипник 80317 — При условии демонтажа 2-х защитных шайб

Подшипник 180317 — При условии демонтажа 2-х защитных шайб

Подшипник 450317 — При условии демонтажа 2-х защитных шайб

Марка Модель Узел Кол-во на узел
МоАЗ 6507 Коробка передач гидромеханическая 2
МоАЗ 7405-9586 Коробка передач гидромеханическая 2
Трактор МТЗ-2 Передача конечная: шестерня ведомая, опоры внутренняя и наружная 4
Трактор МТЗ-5 Передача конечная: шестерня ведомая, опоры внутренняя и наружная 4
Трактор МТЗ-5К Передача конечная: шестерня ведомая, опоры внутренняя и наружная 4
Трактор МТЗ-5Л Передача конечная: шестерня ведомая, опоры внутренняя и наружная 4
Трактор МТЗ-5ЛС Передача конечная: шестерня ведомая, опоры внутренняя и наружная 4
Трактор МТЗ-5М Передача конечная: шестерня ведомая, опоры внутренняя и наружная 4
Трактор МТЗ-5МС Передача конечная: шестерня ведомая, опоры внутренняя и наружная 4
Трактор ЮМЗ-6АЛ Передача конечная -
Трактор ЮМЗ-6АМ Передача конечная -
Трактор ЮМЗ-6КМ Передача конечная -
Бренд Обозначение
ГПЗ 317
SKF 6317
FAG 6317
NSK 6317
Товар добавлен в корзину
Перейти в корзину ×