Подшипники гост
Интернет-магазин
8-800-250-16-58
Обратный звонок

Заказ обратного звонка




Эл. почта:
info@amost.ru
Свои заказы Корзина пуста





Получать прайс-лист на email:

Чтобы отписаться от рассылки, введите e-mail, на который вы получаете наши письма:

 

Поиск подшипников

Масса и размеры

Внутренний диаметр d, мм

От  до 

Наружный диаметр D, мм

От  до 

Ширина b, мм

Применяемость

Раздел каталога

Подшипник шариковый радиальный однорядный основного конструктивного исполнения

116 АШ ГОСТ 520

Отечественный
Импортный

Производитель



уточнять наличие
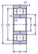
Обозначение 116 АШ ГОСТ 520
Внутренний диаметр, d (мм) 80
Наружный диаметр, D (мм) 125
Ширина, В (мм) 22
Масса, m (кг) 0.8600
Грузоподъемность динамическая, C (kN) 47.7
Грузоподъемность статическая, Co (kN) 31.5
Ном. частота вращен. при пластич. смазке, n grease (1/min) 5300
Диаметр шарика, d шарика (мм) 13.494
Количество шариков, N шариков 14
Ном. частота вращен. при жидк. смазке, n oil (1/min) 6300
116 АШ ГОСТ 520

Этот подшипник может быть заменен другими:

Подшипник 50116 — Условие отсутствует

Подшипник 60116 — При условии демонтажа одной защитной шайбы

Подшипник 150116 — При условии демонтажа одной защитной шайбы (п/ш с канавкой)

Подшипник 80116 — При условии демонтажа 2-х защитных шайб

Подшипник 180116 — При условии демонтажа 2-х защитных шайб

Подшипник 450116 — При условии демонтажа 2-х защитных шайб

Марка Модель Узел Кол-во на узел
БелАЗ 540А(27т) Коробка передач 13
БелАЗ 548(40т) Коробка передач 13
БелАЗ 7522(30т) Коробка передач 9
БелАЗ 7523(40т) Коробка передач 13
БелАЗ 7548(42т) Гидротрансформатор 2
БелАЗ 7548(42т) Коробка передач 13
Трактор Т-11.01.01Я Гидротрансформатор 4
Трактор Т-11.01.01Я Лебедка 1
Трактор Т-11.01.01ЯМ Гидротрансформатор 4
Трактор Т-11.01.01ЯМ Лебедка 1
Трактор Т-11.01.01ЯМП Гидротрансформатор 4
Трактор Т-11.01.01ЯМП Лебедка 1
Трактор Т-25.01Я Редуктор привода насосов 6
Трактор Т-35.01 ЯБЛ Редуктор привода насосов 6
Трактор Т-35.01Я Редуктор привода насосов 6
Трактор ТМ-25.01Я Редуктор привода насосов 6
Трамвайный вагон Т-2 Пантограф 2
Трамвайный вагон Т-3 Пантограф 2
Бренд Обозначение
ГПЗ 116
SKF 6016
FAG 6016
NSK 6016
Товар добавлен в корзину
Перейти в корзину ×