Подшипники гост
Интернет-магазин
8-800-250-16-58
Обратный звонок

Заказ обратного звонка




Эл. почта:
info@amost.ru
Свои заказы Корзина пуста





Получать прайс-лист на email:

Чтобы отписаться от рассылки, введите e-mail, на который вы получаете наши письма:

 

Поиск подшипников

Масса и размеры

Внутренний диаметр d, мм

От  до 

Наружный диаметр D, мм

От  до 

Ширина b, мм

Применяемость

Раздел каталога

Подшипник шариковый радиальный однорядный основного конструктивного исполнения

300 ГОСТ 520

Отечественный
Импортный

Производитель



уточнять наличие
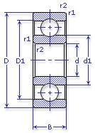
Обозначение 300 ГОСТ 520
Внутренний диаметр, d (мм) 10
Наружный диаметр, D (мм) 35
Ширина, В (мм) 11
Масса, m (кг) 0.053
Грузоподъемность динамическая, C (kN) 8.06
Грузоподъемность статическая, Co (kN) 3.75
Ном. частота вращен. при пластич. смазке, n grease (1/min) 20000
Марка стали, Материал ШХ-15
Диаметр шарика, d шарика (мм) 7.144
Количество шариков, N шариков 6
Ном. частота вращен. при жидк. смазке, n oil (1/min) 26000
300 ГОСТ 520

Этот подшипник может быть заменен другими:

Подшипник 80300 — При условии демонтажа 2-х защитных шайб

Подшипник 180300 — При условии демонтажа 2-х защитных шайб

Бренд Обозначение
ГПЗ 300
SKF 6300
FAG 6300
NSK 6300
Товар добавлен в корзину
Перейти в корзину ×