Подшипники гост
Интернет-магазин
8-800-250-16-58
Обратный звонок

Заказ обратного звонка




Эл. почта:
info@amost.ru
Свои заказы Корзина пуста





Получать прайс-лист на email:

Чтобы отписаться от рассылки, введите e-mail, на который вы получаете наши письма:

 

Поиск подшипников

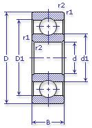
Масса и размеры

Внутренний диаметр d, мм

От  до 

Наружный диаметр D, мм

От  до 

Ширина b, мм

Применяемость

Раздел каталога

Подшипник шариковый радиальный однорядный основного конструктивного исполнения

714 Ю ГОСТ 520

Отечественный
Импортный

Производитель



уточнять наличие
Обозначение 714 Ю ГОСТ 520
Внутренний диаметр, d (мм) 70
Наружный диаметр, D (мм) 125.23
Ширина, В (мм) 24
Масса, m (кг) 1.386
Грузоподъемность динамическая, C (kN) 60
Грузоподъемность статическая, Co (kN) 40
Ном. частота вращен. при пластич. смазке, n grease (1/min) 5000
Марка стали, Материал ШХ-15
Ном. частота вращен. при жидк. смазке, n oil (1/min) 6000
714 Ю ГОСТ 520

Этот подшипник может быть заменен другими:

Подшипник 180714 — При условии демонтажа 2-х защитных шайб

Товар добавлен в корзину
Перейти в корзину ×