Подшипники гост
Интернет-магазин
8-800-250-16-58
Обратный звонок

Заказ обратного звонка




Эл. почта:
info@amost.ru
Свои заказы Корзина пуста





Получать прайс-лист на email:

Чтобы отписаться от рассылки, введите e-mail, на который вы получаете наши письма:

 

Поиск подшипников

Масса и размеры

Внутренний диаметр d, мм

От  до 

Наружный диаметр D, мм

От  до 

Ширина b, мм

Применяемость

Раздел каталога

Подшипник шариковый радиальный однорядный

7000104 АШ2 ГОСТ 520

Отечественный
Импортный

Производитель



уточнять наличие
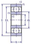
Обозначение 7000104 АШ2 ГОСТ 520
Внутренний диаметр, d (мм) 20
Наружный диаметр, D (мм) 42
Ширина, В (мм) 8
Масса, m (кг) 0.0513
Грузоподъемность динамическая, C (kN) 7
Грузоподъемность статическая, Co (kN) 3.4
Ном. частота вращен. при пластич. смазке, n grease (1/min) 17000
Марка стали, Материал ШХ-15
Диаметр шарика, d шарика (мм) 5.556
Количество шариков, N шариков 10
Ном. частота вращен. при жидк. смазке, n oil (1/min) 2000
7000104 АШ2 ГОСТ 520
Марка Модель Узел Кол-во на узел
Мототехника Мокик ИЖ2.673 Коробка передач: вал вторичный -
Бренд Обозначение
ГПЗ 7000104
SKF 16004
FAG 16004
NSK 16004
Товар добавлен в корзину
Перейти в корзину ×