Подшипники гост
Интернет-магазин
8-800-250-16-58
Обратный звонок

Заказ обратного звонка




Эл. почта:
info@amost.ru
Свои заказы Корзина пуста





Получать прайс-лист на email:

Чтобы отписаться от рассылки, введите e-mail, на который вы получаете наши письма:

 

Поиск подшипников

Масса и размеры

Внутренний диаметр d, мм

От  до 

Наружный диаметр D, мм

От  до 

Ширина b, мм

Применяемость

Раздел каталога

Подшипник шариковый радиальный однорядный основного конструктивного исполнения

110 АКШ2 ГОСТ 520

Отечественный
Импортный
Цена: 85.00 руб

Производитель



под заказ
Обозначение 110 АКШ2 ГОСТ 520
Новинки 0
Хиты продаж 0
Скидки 0
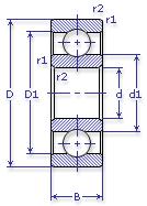
Внутренний диаметр, d (мм) 50
Наружный диаметр, D (мм) 80
Ширина, В (мм) 16
Масса, m (кг) 0.26
Грузоподъемность динамическая, C (kN) 21.6
Грузоподъемность статическая, Co (kN) 13.2
Ном. частота вращен. при пластич. смазке, n grease (1/min) 8500
Диаметр шарика, d шарика (мм) 8.731
Количество шариков, N шариков 13
Ном. частота вращен. при жидк. смазке, n oil (1/min) 10000
Диаметр борта наружного кольца, D1(mm) 70.2
Диаметр борта внутреннего кольца, d1 (mm) 59.8
Радиус фаски, r1, r2 min (мм) 1
110 АКШ2 ГОСТ 520

Этот подшипник может быть заменен другими:

Подшипник 50110 — Условие отсутствует

Подшипник 60110 — При условии демонтажа одной защитной шайбы

Подшипник 160110 — При условии демонтажа одной защитной шайбы

Подшипник 150110 — При условии демонтажа одной защитной шайбы (п/ш с канавкой)

Подшипник 80110 — При условии демонтажа 2-х защитных шайб

Подшипник 180110 — При условии демонтажа 2-х защитных шайб

Подшипник 450110 — При условии демонтажа 2-х защитных шайб

Марка Модель Узел Кол-во на узел
КамАЗ 4310 Управление рулевое 1
КамАЗ 4310 Управление рулевое 1
КамАЗ 43105 Управление рулевое 1
КамАЗ 43105 Управление рулевое 1
КамАЗ 5320 Управление рулевое 1
КамАЗ 5320 Управление рулевое: колесо зубчатое редуктора углового, опора передняя 1
КамАЗ 53211 Управление рулевое: колесо зубчатое редуктора углового, опора передняя 1
КамАЗ 53212 Управление рулевое 1
КамАЗ 53212 Управление рулевое: колесо зубчатое редуктора углового, опора передняя 1
КамАЗ 53213 Управление рулевое 1
КамАЗ 53213 Управление рулевое: колесо зубчатое редуктора углового, опора передняя 1
КамАЗ 53222 Управление рулевое 1
КамАЗ 5325 Управление рулевое 1
КамАЗ 5410 Управление рулевое 1
КамАЗ 5410 Управление рулевое: колесо зубчатое редуктора углового, опора передняя 1
КамАЗ 54112 Управление рулевое 1
КамАЗ 54112 Управление рулевое: колесо зубчатое редуктора углового, опора передняя 1
КамАЗ 54122 Управление рулевое 1
КамАЗ 5425 Управление рулевое 1
КамАЗ 55102 Управление рулевое 1
КамАЗ 55102 Управление рулевое: колесо зубчатое редуктора углового, опора передняя 1
КамАЗ 5511 Управление рулевое 1
КамАЗ 55111 Управление рулевое: колесо зубчатое редуктора углового, опора передняя 1
Комбайн Дон-680 Редуктор конический: муфта 2
Комбайн КПИ-2.4 Измельчитель: редуктор привода вальцов нижних -
Мототехника Днепр-12 Дифференциал: чашка -
Мототехника Днепр-12 Редуктор: крышка правая -
Мототехника Днепр-16 Дифференциал: чашка -
Мототехника Днепр-16 Редуктор: крышка правая -
Трактор МТЗ-80 Муфта сцепления 2
Трактор МТЗ-80Л Муфта сцепления 2
Трактор МТЗ-82 Муфта сцепления 2
Трактор МТЗ-82Л Муфта сцепления 2
Трактор Т-012 Дифференциал -
Трактор Т-11.01.01Я Гидротрансформатор 2
Трактор Т-11.01.01ЯМ Гидротрансформатор 2
Трактор Т-11.01.01ЯМП Гидротрансформатор 2
Трактор Т-25 Сцепление 2
Трактор Т-25А Сцепление -
Бренд Обозначение
ГПЗ 110
SKF 6010
FAG 6010
NSK 6010
Товар добавлен в корзину
Перейти в корзину ×