Подшипники гост
Интернет-магазин
8-800-250-16-58
Обратный звонок

Заказ обратного звонка




Эл. почта:
info@amost.ru
Свои заказы Корзина пуста





Получать прайс-лист на email:

Чтобы отписаться от рассылки, введите e-mail, на который вы получаете наши письма:

 

Поиск подшипников

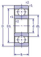
Масса и размеры

Внутренний диаметр d, мм

От  до 

Наружный диаметр D, мм

От  до 

Ширина b, мм

Применяемость

Раздел каталога

Подшипник шариковый радиальный однорядный основного конструктивного исполнения

406 А ГОСТ 520

Отечественный
Импортный

Производитель



уточнять наличие
Обозначение 406 А ГОСТ 520
Внутренний диаметр, d (мм) 30
Наружный диаметр, D (мм) 90
Ширина, В (мм) 23
Масса, m (кг) 0.7300
Грузоподъемность динамическая, C (kN) 47
Грузоподъемность статическая, Co (kN) 26.7
Ном. частота вращен. при пластич. смазке, n grease (1/min) 8500
Марка стали, Материал ШХ-15
Диаметр шарика, d шарика (мм) 19.05
Количество шариков, N шариков 6
Ном. частота вращен. при жидк. смазке, n oil (1/min) 10000
406 А ГОСТ 520

Этот подшипник может быть заменен другими:

Подшипник 50406 — Условие отсутствует

Марка Модель Узел Кол-во на узел
БелАЗ 549(75т) Коробка отбора мощности 4
БелАЗ 7509 Коробка отбора мощности 4
БелАЗ 75091(75т) Коробка отбора мощности 4
КамАЗ 4310 Лебедка 1
КамАЗ 43105 Лебедка 1
Трактор ДТ-20 Вал промежуточный 1
Трактор ДТ-75 Вал отбора мощности: вал ведомый редуктора, опора передняя 1
Трактор ДТ-75МВ Вал отбора мощности: вал ведомый редуктора, опора передняя 1
Трактор Т-150 Коробка передач: вал хода заднего 1
Трактор Т-16 Шкив приводной 1
Трактор Т-25 Передача главная 1
Трактор Т-25А Передача главная: вал промежуточный -
Трактор Т-40 Коробка передач: вал вторичный 1
Трактор Т-40 Коробка передач: вал первичный 1
Трактор Т-40А Коробка передач: вал вторичный 1
Трактор Т-40А Коробка передач: вал первичный 1
Трактор Т-40АМ Коробка передач с дифференциалом -
Трактор Т-40АНМ Коробка передач с дифференциалом -
Трактор Т-40М Коробка передач с дифференциалом -
Трактор Т-74 Коробка передач -
Трактор Т-75 Коробка передач: вал дополнительный 1
Трактор Т-75 с двигателем СМД-14Г Вал отбора мощности: вал ведомый редуктора, опора передняя -
Трактор Т-75МВ с двигателем А-41 Вал отбора мощности: вал ведомый редуктора, опора передняя -
УАЗ 3151 Мост задний 2
УАЗ 31512 Мост задний: передача бортовая, шестерня ведущая 2
УАЗ 31514 Мост задний: передача бортовая, шестерня ведущая 2
УАЗ 469 Мост задний 2
УАЗ 469М Мост задний 2
Бренд Обозначение
ГПЗ 406
SKF 6406
FAG 6406
NSK 6406
Товар добавлен в корзину
Перейти в корзину ×