Подшипники гост
Интернет-магазин
8-800-250-16-58
Обратный звонок

Заказ обратного звонка




Эл. почта:
info@amost.ru
Свои заказы Корзина пуста





Получать прайс-лист на email:

Чтобы отписаться от рассылки, введите e-mail, на который вы получаете наши письма:

 

Поиск подшипников

Масса и размеры

Внутренний диаметр d, мм

От  до 

Наружный диаметр D, мм

От  до 

Ширина b, мм

Применяемость

Раздел каталога

Подшипник шариковый радиальный однорядный основного конструктивного исполнения

230 АЛШ ГОСТ 520

Отечественный
Импортный

Производитель



уточнять наличие
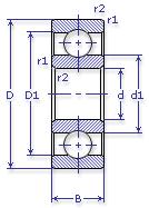
Обозначение 230 АЛШ ГОСТ 520
Внутренний диаметр, d (мм) 150
Наружный диаметр, D (мм) 270
Ширина, В (мм) 45
Масса, m (кг) 9.85
Грузоподъемность динамическая, C (kN) 218.5
Грузоподъемность статическая, Co (kN) 172
Ном. частота вращен. при пластич. смазке, n grease (1/min) 2100
Марка стали, Материал ШХ-15
Диаметр шарика, d шарика (мм) 33.338
Количество шариков, N шариков 11
Ном. частота вращен. при жидк. смазке, n oil (1/min) 2800
230 АЛШ ГОСТ 520
Марка Модель Узел Кол-во на узел
Трактор Т-4А Механизм поворота планетарный: шестерня коронная -
Бренд Обозначение
ГПЗ 230
SKF 6230
FAG 6230
NSK 6230
Товар добавлен в корзину
Перейти в корзину ×