Подшипники гост
Интернет-магазин
8-800-250-16-58
Обратный звонок

Заказ обратного звонка




Эл. почта:
info@amost.ru
Свои заказы Корзина пуста





Получать прайс-лист на email:

Чтобы отписаться от рассылки, введите e-mail, на который вы получаете наши письма:

 

Поиск подшипников

Масса и размеры

Внутренний диаметр d, мм

От  до 

Наружный диаметр D, мм

От  до 

Ширина b, мм

Применяемость

Раздел каталога

Подшипник шариковый радиальный однорядный основного конструктивного исполнения

228 АЛШ1 ГОСТ 520

Отечественный
Импортный

Производитель



уточнять наличие
Обозначение 228 АЛШ1 ГОСТ 520
Цена импортная 1550
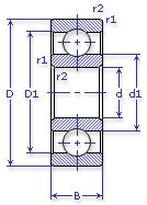
Внутренний диаметр, d (мм) 140
Наружный диаметр, D (мм) 250
Ширина, В (мм) 42
Масса, m (кг) 9.34
Грузоподъемность динамическая, C (kN) 170
Грузоподъемность статическая, Co (kN) 140
Ном. частота вращен. при пластич. смазке, n grease (1/min) 2400
Марка стали, Материал ШХ-15
Диаметр шарика, d шарика (мм) 28.575
Количество шариков, N шариков 11
Ном. частота вращен. при жидк. смазке, n oil (1/min) 3000
228 АЛШ1 ГОСТ 520
Марка Модель Узел Кол-во на узел
МАЗ 7410 Коробка раздаточная 1
Бренд Обозначение
ГПЗ 228
SKF 6228
FAG 6228
NSK 6228
Товар добавлен в корзину
Перейти в корзину ×