Подшипники гост
Интернет-магазин
8-800-250-16-58
Обратный звонок

Заказ обратного звонка




Эл. почта:
info@amost.ru
Свои заказы Корзина пуста





Получать прайс-лист на email:

Чтобы отписаться от рассылки, введите e-mail, на который вы получаете наши письма:

 

Поиск подшипников

Масса и размеры

Внутренний диаметр d, мм

От  до 

Наружный диаметр D, мм

От  до 

Ширина b, мм

Применяемость

Раздел каталога

Подшипник шариковый радиальный однорядный основного конструктивного исполнения

906 Б ГОСТ 520

Отечественный
Импортный
Цена: 70.00 руб

Производитель



под заказ
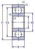
Обозначение 906 Б ГОСТ 520
Внутренний диаметр, d (мм) 32
Наружный диаметр, D (мм) 55
Ширина, В (мм) 9
Масса, m (кг) 0.095
Марка стали, Материал ШХ-15
Диаметр шарика, d шарика (мм) 5.556
Количество шариков, N шариков 14
906 Б ГОСТ 520

Этот подшипник может быть заменен другими:

Подшипник 80906 — При условии демонтажа 2-х защитных шайб

Товар добавлен в корзину
Перейти в корзину ×