Подшипники гост
Интернет-магазин
8-800-250-16-58
Обратный звонок

Заказ обратного звонка




Эл. почта:
info@amost.ru
Свои заказы Корзина пуста





Получать прайс-лист на email:

Чтобы отписаться от рассылки, введите e-mail, на который вы получаете наши письма:

 

Поиск подшипников

Масса и размеры

Внутренний диаметр d, мм

От  до 

Наружный диаметр D, мм

От  до 

Ширина b, мм

Применяемость

Раздел каталога

Подшипник шариковый радиальный однорядный

7000106 ЮТ ЕТУ ВНИПП.100

Отечественный
Импортный

Производитель



уточнять наличие
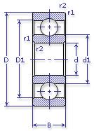
Обозначение 7000106 ЮТ ЕТУ ВНИПП.100
Внутренний диаметр, d (мм) 30
Наружный диаметр, D (мм) 55
Ширина, В (мм) 9
Масса, m (кг) 0.0900
Грузоподъемность динамическая, C (kN) 11.2
Грузоподъемность статическая, Co (kN) 5.9
Ном. частота вращен. при пластич. смазке, n grease (1/min) 12000
Диаметр шарика, d шарика (мм) 5.556
Количество шариков, N шариков 14
Ном. частота вращен. при жидк. смазке, n oil (1/min) 15000
7000106 ЮТ ЕТУ ВНИПП.100
Марка Модель Узел Кол-во на узел
МАЗ 543 Двигатель: система охлаждения 2
МАЗ 547 Двигатель: система охлаждения 1
МАЗ 7310 Двигатель: система охлаждения 1
МАЗ 73101 Двигатель: система охлаждения 2
Бренд Обозначение
ГПЗ 7000106
SKF 16006
FAG 16006
NSK 16006
Товар добавлен в корзину
Перейти в корзину ×