Подшипники гост
Интернет-магазин
8-800-250-16-58
Обратный звонок

Заказ обратного звонка




Эл. почта:
info@amost.ru
Свои заказы Корзина пуста





Получать прайс-лист на email:

Чтобы отписаться от рассылки, введите e-mail, на который вы получаете наши письма:

 

Поиск подшипников

Масса и размеры

Внутренний диаметр d, мм

От  до 

Наружный диаметр D, мм

От  до 

Ширина b, мм

Применяемость

Раздел каталога

Подшипник шариковый радиальный однорядный основного конструктивного исполнения

302 ГОСТ 520

Отечественный
Импортный

Производитель



уточнять наличие
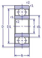
Обозначение 302 ГОСТ 520
Внутренний диаметр, d (мм) 15
Наружный диаметр, D (мм) 42
Ширина, В (мм) 13
Масса, m (кг) 0.08
Грузоподъемность динамическая, C (kN) 11.4
Грузоподъемность статическая, Co (kN) 5.4
Ном. частота вращен. при пластич. смазке, n grease (1/min) 17000
Диаметр шарика, d шарика (мм) 7.938
Количество шариков, N шариков 7
Ном. частота вращен. при жидк. смазке, n oil (1/min) 20000
302 ГОСТ 520

Этот подшипник может быть заменен другими:

Подшипник 60302 — При условии демонтажа одной защитной шайбы

Подшипник 160302 — При условии демонтажа одной защитной шайбы

Подшипник 80302 — При условии демонтажа 2-х защитных шайб

Подшипник 180302 — При условии демонтажа 2-х защитных шайб

Марка Модель Узел Кол-во на узел
Мототехника Ява-250 Ступица колес -
Мототехника Ява-350 Ступица колес -
Трактор ДТ-20 Генератор: опора передняя 1
Трактор Т-012 Вал отбора мощности задний: вал ведущий -
Трамвайный вагон Т-2 Ускоритель 1
Трамвайный вагон Т-3 Ускоритель 1
Бренд Обозначение
ГПЗ 302
SKF 6302
FAG 6302
NSK 6302
Товар добавлен в корзину
Перейти в корзину ×