Подшипники гост
Интернет-магазин
8-800-250-16-58
Обратный звонок

Заказ обратного звонка




Эл. почта:
info@amost.ru
Свои заказы Корзина пуста





Получать прайс-лист на email:

Чтобы отписаться от рассылки, введите e-mail, на который вы получаете наши письма:

 

Поиск подшипников

Масса и размеры

Внутренний диаметр d, мм

От  до 

Наружный диаметр D, мм

От  до 

Ширина b, мм

Применяемость

Раздел каталога

Подшипник шариковый радиальный однорядный основного конструктивного исполнения

156 АЛШ ГОСТ 520

Отечественный
Импортный

Производитель



уточнять наличие
Обозначение 156 АЛШ ГОСТ 520
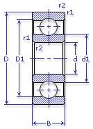
Внутренний диаметр, d (мм) 280
Наружный диаметр, D (мм) 420
Ширина, В (мм) 65
Масса, m (кг) 32.9
Грузоподъемность динамическая, C (kN) 302
Грузоподъемность статическая, Co (kN) 315
Ном. частота вращен. при пластич. смазке, n grease (1/min) 1400
Марка стали, Материал ШХ-15
Диаметр шарика, d шарика (мм) 41.275
Количество шариков, N шариков 15
Ном. частота вращен. при жидк. смазке, n oil (1/min) 1700
156 АЛШ ГОСТ 520
Бренд Обозначение
ГПЗ 156
SKF 6056
FAG 6056
NSK 6056
Товар добавлен в корзину
Перейти в корзину ×