Подшипники гост
Интернет-магазин
8-800-250-16-58
Обратный звонок

Заказ обратного звонка




Эл. почта:
info@amost.ru
Свои заказы Корзина пуста





Получать прайс-лист на email:

Чтобы отписаться от рассылки, введите e-mail, на который вы получаете наши письма:

 

Поиск подшипников

Масса и размеры

Внутренний диаметр d, мм

От  до 

Наружный диаметр D, мм

От  до 

Ширина b, мм

Применяемость

Раздел каталога

Подшипник шариковый радиальный однорядный основного конструктивного исполнения

148 АЛШ1 ГОСТ 520

Отечественный
Импортный
Цена: 8 480.00 руб

Производитель



под заказ
Обозначение 148 АЛШ1 ГОСТ 520
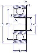
Внутренний диаметр, d (мм) 240
Наружный диаметр, D (мм) 360
Ширина, В (мм) 56
Масса, m (кг) 22.4
Грузоподъемность динамическая, C (kN) 255
Грузоподъемность статическая, Co (kN) 245
Ном. частота вращен. при пластич. смазке, n grease (1/min) 1700
Марка стали, Материал ШХ-15
Диаметр шарика, d шарика (мм) 36.512
Количество шариков, N шариков 14
Ном. частота вращен. при жидк. смазке, n oil (1/min) 2000
148 АЛШ1 ГОСТ 520
Марка Модель Узел Кол-во на узел
Станкостроение Не указано Не указано -
Бренд Обозначение
ГПЗ 148
SKF 6048
FAG 6048
NSK 6048
Товар добавлен в корзину
Перейти в корзину ×