Подшипники гост
Интернет-магазин
8-800-250-16-58
Обратный звонок

Заказ обратного звонка




Эл. почта:
info@amost.ru
Свои заказы Корзина пуста





Получать прайс-лист на email:

Чтобы отписаться от рассылки, введите e-mail, на который вы получаете наши письма:

 

Поиск подшипников

Масса и размеры

Внутренний диаметр d, мм

От  до 

Наружный диаметр D, мм

От  до 

Ширина b, мм

Применяемость

Раздел каталога

Подшипник шариковый радиальный однорядный основного конструктивного исполнения

138 АЛШ1 ГОСТ 520

Отечественный
Импортный
Цена: 5 475.00 руб

Производитель



под заказ
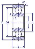
Обозначение 138 АЛШ1 ГОСТ 520
Внутренний диаметр, d (мм) 190
Наружный диаметр, D (мм) 290
Ширина, В (мм) 46
Масса, m (кг) 11.4
Грузоподъемность динамическая, C (kN) 195
Грузоподъемность статическая, Co (kN) 166
Ном. частота вращен. при пластич. смазке, n grease (1/min) 2000
Марка стали, Материал ШХ-15
Диаметр шарика, d шарика (мм) 30.162
Количество шариков, N шариков 14
Ном. частота вращен. при жидк. смазке, n oil (1/min) 2600
Диаметр борта наружного кольца, D1(mm) 258.1
Диаметр борта внутреннего кольца, d1 (mm) 223
Радиус фаски, r1, r2 min (мм) 2.1
138 АЛШ1 ГОСТ 520
Бренд Обозначение
ГПЗ 138
SKF 6038
FAG 6038
NSK 6038
Товар добавлен в корзину
Перейти в корзину ×