Подшипники гост
Интернет-магазин
8-800-250-16-58
Обратный звонок

Заказ обратного звонка




Эл. почта:
info@amost.ru
Свои заказы Корзина пуста





Получать прайс-лист на email:

Чтобы отписаться от рассылки, введите e-mail, на который вы получаете наши письма:

 

Поиск подшипников

Масса и размеры

Внутренний диаметр d, мм

От  до 

Наружный диаметр D, мм

От  до 

Ширина b, мм

Применяемость

Раздел каталога

Подшипник шариковый радиальный однорядный основного конструктивного исполнения

130 Л ГОСТ 520

Отечественный
Импортный

Производитель



уточнять наличие
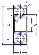
Обозначение 130 Л ГОСТ 520
Внутренний диаметр, d (мм) 150
Наружный диаметр, D (мм) 225
Ширина, В (мм) 35
Масса, m (кг) 4.14
Грузоподъемность динамическая, C (kN) 125
Грузоподъемность статическая, Co (kN) 96.5
Ном. частота вращен. при пластич. смазке, n grease (1/min) 2600
Марка стали, Материал ШХ-15
Диаметр шарика, d шарика (мм) 22.225
Количество шариков, N шариков 16
Ном. частота вращен. при жидк. смазке, n oil (1/min) 3200
130 Л ГОСТ 520
Марка Модель Узел Кол-во на узел
МоАЗ 6401-9585 Коробка передач гидромеханическая 2
МоАЗ 6507 Коробка передач гидромеханическая 2
МоАЗ 7405-9586 Коробка передач гидромеханическая 2
Трактор К-701 Мост ведущий 8
Бренд Обозначение
ГПЗ 130
SKF 6030
FAG 6030
NSK 6030
Товар добавлен в корзину
Перейти в корзину ×