Подшипники гост
Интернет-магазин
8-800-250-16-58
Обратный звонок

Заказ обратного звонка




Эл. почта:
info@amost.ru
Свои заказы Корзина пуста





Получать прайс-лист на email:

Чтобы отписаться от рассылки, введите e-mail, на который вы получаете наши письма:

 

Поиск подшипников

Масса и размеры

Внутренний диаметр d, мм

От  до 

Наружный диаметр D, мм

От  до 

Ширина b, мм

Применяемость

Раздел каталога

Подшипник шариковый радиальный однорядный основного конструктивного исполнения

121 АЛШ1 ГОСТ 520

Отечественный
Импортный
Цена: 938.00 руб

Производитель



под заказ
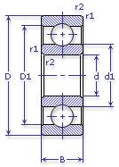
Обозначение 121 АЛШ1 ГОСТ 520
Внутренний диаметр, d (мм) 105
Наружный диаметр, D (мм) 160
Ширина, В (мм) 26
Масса, m (кг) 1.55
Грузоподъемность динамическая, C (kN) 72.8
Грузоподъемность статическая, Co (kN) 57
Ном. частота вращен. при пластич. смазке, n grease (1/min) 4000
Марка стали, Материал ШХ-15
Диаметр шарика, d шарика (мм) 17.462
Количество шариков, N шариков 13
Ном. частота вращен. при жидк. смазке, n oil (1/min) 4800
121 АЛШ1 ГОСТ 520

Этот подшипник может быть заменен другими:

Подшипник 80121 — При условии демонтажа 2-х защитных шайб

Подшипник 180121 — При условии демонтажа 2-х защитных шайб

Бренд Обозначение
ГПЗ 121
SKF 6021
FAG 6021
NSK 6021
Товар добавлен в корзину
Перейти в корзину ×