Подшипники гост
Интернет-магазин
8-800-250-16-58
Обратный звонок

Заказ обратного звонка




Эл. почта:
info@amost.ru
Свои заказы Корзина пуста





Получать прайс-лист на email:

Чтобы отписаться от рассылки, введите e-mail, на который вы получаете наши письма:

 

Поиск подшипников

Масса и размеры

Внутренний диаметр d, мм

От  до 

Наружный диаметр D, мм

От  до 

Ширина b, мм

Применяемость

Раздел каталога

Подшипник шариковый радиальный однорядный основного конструктивного исполнения

118 А ГОСТ 520

Отечественный
Импортный

Производитель



уточнять наличие
Обозначение 118 А ГОСТ 520
Цена импортная 230
Новинки 0
Хиты продаж 0
Скидки 0
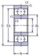
Внутренний диаметр, d (мм) 90
Наружный диаметр, D (мм) 140
Ширина, В (мм) 24
Масса, m (кг) 1.2
Грузоподъемность динамическая, C (kN) 57.2
Грузоподъемность статическая, Co (kN) 39
Ном. частота вращен. при пластич. смазке, n grease (1/min) 4800
Марка стали, Материал ШХ-15
Диаметр шарика, d шарика (мм) 14.288
Количество шариков, N шариков 14
Ном. частота вращен. при жидк. смазке, n oil (1/min) 5600
Диаметр борта наружного кольца, D1(mm) 123.6
Диаметр борта внутреннего кольца, d1 (mm) 107.2
Радиус фаски, r1, r2 min (мм) 1.5
118 А ГОСТ 520

Этот подшипник может быть заменен другими:

Подшипник 60118 — При условии демонтажа одной защитной шайбы

Подшипник 80118 — При условии демонтажа 2-х защитных шайб

Подшипник 180118 — При условии демонтажа 2-х защитных шайб

Марка Модель Узел Кол-во на узел
БелАЗ 549(75т) Двигатель 1
БелАЗ 549(75т) Коробка отбора мощности 4
БелАЗ 7420-9590 Коробка отбора мощности 2
БелАЗ 7509 Двигатель 1
БелАЗ 7509 Коробка отбора мощности 4
БелАЗ 75091(75т) Двигатель 1
БелАЗ 75091(75т) Коробка отбора мощности 4
БелАЗ 7519 Коробка отбора мощности 4
БелАЗ 75191(110т) Коробка отбора мощности 4
БелАЗ 75211(180т) Коробка отбора мощности 4
Комбайн Нива Барабан молотильный: редуктор привода -
МоАЗ 6507 Коробка передач гидромеханическая 6
МоАЗ 7405-9586 Коробка передач гидромеханическая 6
Трактор К-701 Коробка передач 2
Трактор К-701 Редуктор привода насосов 4
Трактор Т-15.01Я Гидротрансформатор 4
Трактор Т-15.01ЯМ Гидротрансформатор 4
Трактор Т-20.01Я Гидротрансформатор 4
Бренд Обозначение
ГПЗ 118
SKF 6018
FAG 6018
NSK 6018
Товар добавлен в корзину
Перейти в корзину ×