Подшипники гост
Интернет-магазин
8-800-250-16-58
Обратный звонок

Заказ обратного звонка




Эл. почта:
info@amost.ru
Свои заказы Корзина пуста





Получать прайс-лист на email:

Чтобы отписаться от рассылки, введите e-mail, на который вы получаете наши письма:

 

Поиск подшипников

Масса и размеры

Внутренний диаметр d, мм

От  до 

Наружный диаметр D, мм

От  до 

Ширина b, мм

Применяемость

Раздел каталога

Подшипник шариковый радиальный однорядный основного конструктивного исполнения

110 Л ЕТУ ВНИПП.500

Отечественный
Импортный
Цена: 85.00 руб

Производитель



под заказ
Обозначение 110 Л ЕТУ ВНИПП.500
Новинки 0
Хиты продаж 0
Скидки 0
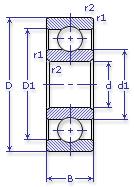
Внутренний диаметр, d (мм) 50
Наружный диаметр, D (мм) 80
Ширина, В (мм) 16
Масса, m (кг) 0.26
Грузоподъемность динамическая, C (kN) 21.6
Грузоподъемность статическая, Co (kN) 13.2
Ном. частота вращен. при пластич. смазке, n grease (1/min) 8500
Диаметр шарика, d шарика (мм) 8.731
Количество шариков, N шариков 13
Ном. частота вращен. при жидк. смазке, n oil (1/min) 10000
Диаметр борта наружного кольца, D1(mm) 70.2
Диаметр борта внутреннего кольца, d1 (mm) 59.8
Радиус фаски, r1, r2 min (мм) 1
110 Л ЕТУ ВНИПП.500

Этот подшипник может быть заменен другими:

Подшипник 50110 — Условие отсутствует

Подшипник 60110 — При условии демонтажа одной защитной шайбы

Подшипник 160110 — При условии демонтажа одной защитной шайбы

Подшипник 150110 — При условии демонтажа одной защитной шайбы (п/ш с канавкой)

Подшипник 80110 — При условии демонтажа 2-х защитных шайб

Подшипник 180110 — При условии демонтажа 2-х защитных шайб

Подшипник 450110 — При условии демонтажа 2-х защитных шайб

Марка Модель Узел Кол-во на узел
КамАЗ 4310 Управление рулевое 1
КамАЗ 4310 Управление рулевое 1
КамАЗ 43105 Управление рулевое 1
КамАЗ 43105 Управление рулевое 1
КамАЗ 5320 Управление рулевое 1
КамАЗ 5320 Управление рулевое: колесо зубчатое редуктора углового, опора передняя 1
КамАЗ 53211 Управление рулевое: колесо зубчатое редуктора углового, опора передняя 1
КамАЗ 53212 Управление рулевое 1
КамАЗ 53212 Управление рулевое: колесо зубчатое редуктора углового, опора передняя 1
КамАЗ 53213 Управление рулевое 1
КамАЗ 53213 Управление рулевое: колесо зубчатое редуктора углового, опора передняя 1
КамАЗ 53222 Управление рулевое 1
КамАЗ 5325 Управление рулевое 1
КамАЗ 5410 Управление рулевое 1
КамАЗ 5410 Управление рулевое: колесо зубчатое редуктора углового, опора передняя 1
КамАЗ 54112 Управление рулевое 1
КамАЗ 54112 Управление рулевое: колесо зубчатое редуктора углового, опора передняя 1
КамАЗ 54122 Управление рулевое 1
КамАЗ 5425 Управление рулевое 1
КамАЗ 55102 Управление рулевое 1
КамАЗ 55102 Управление рулевое: колесо зубчатое редуктора углового, опора передняя 1
КамАЗ 5511 Управление рулевое 1
КамАЗ 55111 Управление рулевое: колесо зубчатое редуктора углового, опора передняя 1
Комбайн Дон-680 Редуктор конический: муфта 2
Комбайн КПИ-2.4 Измельчитель: редуктор привода вальцов нижних -
Мототехника Днепр-12 Дифференциал: чашка -
Мототехника Днепр-12 Редуктор: крышка правая -
Мототехника Днепр-16 Дифференциал: чашка -
Мототехника Днепр-16 Редуктор: крышка правая -
Трактор МТЗ-80 Муфта сцепления 2
Трактор МТЗ-80Л Муфта сцепления 2
Трактор МТЗ-82 Муфта сцепления 2
Трактор МТЗ-82Л Муфта сцепления 2
Трактор Т-012 Дифференциал -
Трактор Т-11.01.01Я Гидротрансформатор 2
Трактор Т-11.01.01ЯМ Гидротрансформатор 2
Трактор Т-11.01.01ЯМП Гидротрансформатор 2
Трактор Т-25 Сцепление 2
Трактор Т-25А Сцепление -
Бренд Обозначение
ГПЗ 110
SKF 6010
FAG 6010
NSK 6010
Товар добавлен в корзину
Перейти в корзину ×