108 ГОСТ 520
| Обозначение | 108 ГОСТ 520 |
|---|---|
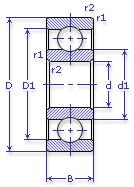
| Внутренний диаметр, d (мм) | 40 |
| Наружный диаметр, D (мм) | 68 |
| Ширина, В (мм) | 15 |
| Масса, m (кг) | 0.194 |
| Грузоподъемность динамическая, C (kN) | 16.8 |
| Грузоподъемность статическая, Co (kN) | 9.3 |
| Ном. частота вращен. при пластич. смазке, n grease (1/min) | 9500 |
| Диаметр шарика, d шарика (мм) | 7.938 |
| Количество шариков, N шариков | 12 |
| Ном. частота вращен. при жидк. смазке, n oil (1/min) | 12000 |
Этот подшипник может быть заменен другими:
Подшипник 50108 — Условие отсутствует
Подшипник 60108 — При условии демонтажа одной защитной шайбы
Подшипник 160108 — При условии демонтажа одной защитной шайбы
Подшипник 150108 — При условии демонтажа одной защитной шайбы (п/ш с канавкой)
Подшипник 80108 — При условии демонтажа 2-х защитных шайб
Подшипник 180108 — При условии демонтажа 2-х защитных шайб
Подшипник 450108 — При условии демонтажа 2-х защитных шайб