105 ГОСТ 520
| Обозначение | 105 ГОСТ 520 |
|---|---|
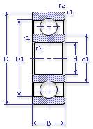
| Внутренний диаметр, d (мм) | 25 |
| Наружный диаметр, D (мм) | 47 |
| Ширина, В (мм) | 12 |
| Масса, m (кг) | 0.064 |
| Грузоподъемность динамическая, C (kN) | 11.2 |
| Грузоподъемность статическая, Co (kN) | 5.6 |
| Ном. частота вращен. при пластич. смазке, n grease (1/min) | 15000 |
| Диаметр шарика, d шарика (мм) | 6.35 |
| Количество шариков, N шариков | 10 |
| Ном. частота вращен. при жидк. смазке, n oil (1/min) | 18000 |
Этот подшипник может быть заменен другими:
Подшипник 50105 — Условие отсутствует
Подшипник 60105 — При условии демонтажа одной защитной шайбы
Подшипник 160105 — При условии демонтажа одной защитной шайбы
Подшипник 150105 — При условии демонтажа одной защитной шайбы (п/ш с канавкой)
Подшипник 80105 — При условии демонтажа 2-х защитных шайб
Подшипник 180105 — При условии демонтажа 2-х защитных шайб
Подшипник 450105 — При условии демонтажа 2-х защитных шайб
Подшипник 750105 — При условии демонтажа 2-х защитных шайб
| Марка | Модель | Узел | Кол-во на узел |
|---|---|---|---|
| ЛуАЗ | 1302 | Дифференциал: чехлы защитные | - |
| ЛуАЗ | 969 | Полуось | 4 |
| ЛуАЗ | 969М | Полуось | 4 |
| Трактор | К-701 | Двигатель: вал ведомый гидромуфты | 1 |
| Трамвайный вагон | КТМ-5М3 | Двери, привод дверей | 3 |