Подшипники гост
Интернет-магазин
8-800-250-16-58
Обратный звонок

Заказ обратного звонка




Эл. почта:
info@amost.ru
Свои заказы Корзина пуста





Получать прайс-лист на email:

Чтобы отписаться от рассылки, введите e-mail, на который вы получаете наши письма:

 

Поиск подшипников

Масса и размеры

Внутренний диаметр d, мм

От  до 

Наружный диаметр D, мм

От  до 

Ширина b, мм

Применяемость

Раздел каталога

Подшипник шариковый радиальный однорядный основного конструктивного исполнения

105 ТУ 3900-А

Отечественный
Импортный

Производитель



уточнять наличие
Обозначение 105 ТУ 3900-А
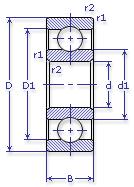
Внутренний диаметр, d (мм) 25
Наружный диаметр, D (мм) 47
Ширина, В (мм) 12
Масса, m (кг) 0.064
Грузоподъемность динамическая, C (kN) 11.2
Грузоподъемность статическая, Co (kN) 5.6
Ном. частота вращен. при пластич. смазке, n grease (1/min) 15000
Диаметр шарика, d шарика (мм) 6.35
Количество шариков, N шариков 10
Ном. частота вращен. при жидк. смазке, n oil (1/min) 18000
105 ТУ 3900-А

Этот подшипник может быть заменен другими:

Подшипник 50105 — Условие отсутствует

Подшипник 60105 — При условии демонтажа одной защитной шайбы

Подшипник 160105 — При условии демонтажа одной защитной шайбы

Подшипник 150105 — При условии демонтажа одной защитной шайбы (п/ш с канавкой)

Подшипник 80105 — При условии демонтажа 2-х защитных шайб

Подшипник 180105 — При условии демонтажа 2-х защитных шайб

Подшипник 450105 — При условии демонтажа 2-х защитных шайб

Подшипник 750105 — При условии демонтажа 2-х защитных шайб

Марка Модель Узел Кол-во на узел
ЛуАЗ 1302 Дифференциал: чехлы защитные -
ЛуАЗ 969 Полуось 4
ЛуАЗ 969М Полуось 4
Трактор К-701 Двигатель: вал ведомый гидромуфты 1
Трамвайный вагон КТМ-5М3 Двери, привод дверей 3
Бренд Обозначение
ГПЗ 105
SKF 6005
FAG 6005
NSK 6005
Товар добавлен в корзину
Перейти в корзину ×