Подшипники гост
Интернет-магазин
8-800-250-16-58
Обратный звонок

Заказ обратного звонка




Эл. почта:
info@amost.ru
Свои заказы Корзина пуста





Получать прайс-лист на email:

Чтобы отписаться от рассылки, введите e-mail, на который вы получаете наши письма:

 

Поиск подшипников

Масса и размеры

Внутренний диаметр d, мм

От  до 

Наружный диаметр D, мм

От  до 

Ширина b, мм

Применяемость

Раздел каталога

Подшипник шариковый радиальный однорядный основного конструктивного исполнения

1000892 ТУ 37.006.154

Отечественный
Импортный

Производитель



уточнять наличие
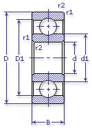
Обозначение 1000892 ТУ 37.006.154
Внутренний диаметр, d (мм) 460
Наружный диаметр, D (мм) 580
Ширина, В (мм) 56
Масса, m (кг) 36.3
Грузоподъемность динамическая, C (kN) 300
Грузоподъемность статическая, Co (kN) 400
Ном. частота вращен. при пластич. смазке, n grease (1/min) 900
Марка стали, Материал ШХ-15
Диаметр шарика, d шарика (мм) 38.1
Количество шариков, N шариков 23
Ном. частота вращен. при жидк. смазке, n oil (1/min) 1100
1000892 ТУ 37.006.154
Марка Модель Узел Кол-во на узел
Станкостроение Не указано Не указано -
Бренд Обозначение
ГПЗ 1000892
SKF 61892
FAG 61892
NSK 6892
Товар добавлен в корзину
Перейти в корзину ×