Подшипники гост
Интернет-магазин
8-800-250-16-58
Обратный звонок

Заказ обратного звонка




Эл. почта:
info@amost.ru
Свои заказы Корзина пуста





Получать прайс-лист на email:

Чтобы отписаться от рассылки, введите e-mail, на который вы получаете наши письма:

 

Поиск подшипников

Масса и размеры

Внутренний диаметр d, мм

От  до 

Наружный диаметр D, мм

От  до 

Ширина b, мм

Применяемость

Раздел каталога

Подшипник шариковый радиальный однорядный основного конструктивного исполнения

1000830 Л ГОСТ 520

Отечественный
Импортный
Цена: 7 681.00 руб

Производитель



под заказ
Обозначение 1000830 Л ГОСТ 520
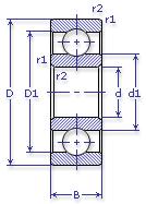
Внутренний диаметр, d (мм) 150
Наружный диаметр, D (мм) 190
Ширина, В (мм) 20
Масса, m (кг) 1.4500
Грузоподъемность динамическая, C (kN) 48
Грузоподъемность статическая, Co (kN) 40
Ном. частота вращен. при пластич. смазке, n grease (1/min) 3000
Марка стали, Материал ШХ-15
Диаметр шарика, d шарика (мм) 12.303
Количество шариков, N шариков 23
Ном. частота вращен. при жидк. смазке, n oil (1/min) 3600
1000830 Л ГОСТ 520
Марка Модель Узел Кол-во на узел
Станкостроение Не указано Не указано -
Бренд Обозначение
ГПЗ 1000830
SKF 61830
FAG 61830
NSK 6830
Товар добавлен в корзину
Перейти в корзину ×