Подшипники гост
Интернет-магазин
8-800-250-16-58
Обратный звонок

Заказ обратного звонка




Эл. почта:
info@amost.ru
Свои заказы Корзина пуста





Получать прайс-лист на email:

Чтобы отписаться от рассылки, введите e-mail, на который вы получаете наши письма:

 

Поиск подшипников

Масса и размеры

Внутренний диаметр d, мм

От  до 

Наружный диаметр D, мм

От  до 

Ширина b, мм

Применяемость

Раздел каталога

Подшипник шариковый радиальный однорядный основного конструктивного исполнения

409 А ГОСТ 520

Отечественный
Импортный
Цена: 336.00 руб

Производитель



под заказ
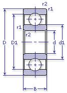
Обозначение 409 А ГОСТ 520
Внутренний диаметр, d (мм) 45
Наружный диаметр, D (мм) 120
Ширина, В (мм) 29
Масса, m (кг) 1.52
Грузоподъемность динамическая, C (kN) 76
Грузоподъемность статическая, Co (kN) 462
Ном. частота вращен. при пластич. смазке, n grease (1/min) 6000
Марка стали, Материал ШХ-15
Диаметр шарика, d шарика (мм) 23.019
Количество шариков, N шариков 7
Ном. частота вращен. при жидк. смазке, n oil (1/min) 7000
409 А ГОСТ 520

Этот подшипник может быть заменен другими:

Подшипник 50409 — Условие отсутствует

Подшипник 150409 — При условии демонтажа одной защитной шайбы (п/ш с канавкой)

Марка Модель Узел Кол-во на узел
Станкостроение Не указано Не указано -
Трактор МТЗ-100 Корпус КП: опора передняя первичного вала -
Трактор МТЗ-102 Корпус КП: опора передняя первичного вала -
Трактор Т 330 Каток поддерживающий 8
Трактор Т 330Г Каток поддерживающий 8
Трактор Т-150 Вал отбора мощности: вал ведущий редуктора 1
Трактор Т-150К Вал отбора мощности: вал ведущий 1
Трактор Т-40А Мост передний ведущий: шестерня ведомая передачи конечной 2
Трактор Т-40АМ Мост передний ведущий: передача конечная -
Трактор Т-40АНМ Мост передний ведущий: передача конечная -
Бренд Обозначение
ГПЗ 409
SKF 6409
FAG 6409
NSK 6409
Товар добавлен в корзину
Перейти в корзину ×