Подшипники гост
Интернет-магазин
8-800-250-16-58
Обратный звонок

Заказ обратного звонка




Эл. почта:
info@amost.ru
Свои заказы Корзина пуста





Получать прайс-лист на email:

Чтобы отписаться от рассылки, введите e-mail, на который вы получаете наши письма:

 

Поиск подшипников

Масса и размеры

Внутренний диаметр d, мм

От  до 

Наружный диаметр D, мм

От  до 

Ширина b, мм

Применяемость

Раздел каталога

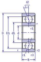
Подшипник шариковый радиально-упорный однорядный основного конструктивного исполнения

46416 Е ГОСТ 520

Отечественный
Импортный

Производитель



уточнять наличие
Обозначение 46416 Е ГОСТ 520
Внутренний диаметр, d (мм) 80
Наружный диаметр, D (мм) 200
Ширина, В (мм) 48
Масса, m (кг) 8.6700
Грузоподъемность динамическая, C (kN) 196.8
Грузоподъемность статическая, Co (kN) 169.5
Ном. частота вращен. при пластич. смазке, n grease (1/min) 2700
Марка стали, Материал ШХ-15
Диаметр шарика, d шарика (мм) 38.1
Количество шариков, N шариков 10
Ном. частота вращен. при жидк. смазке, n oil (1/min) 3800
46416 Е ГОСТ 520
Марка Модель Узел Кол-во на узел
Станкостроение Не указано Не указано -
Бренд Обозначение
ГПЗ 46416
SKF 7416AC
FAG 7416E
NSK 7416A
Товар добавлен в корзину
Перейти в корзину ×