Подшипники гост
Интернет-магазин
8-800-250-16-58
Обратный звонок

Заказ обратного звонка




Эл. почта:
info@amost.ru
Свои заказы Корзина пуста





Получать прайс-лист на email:

Чтобы отписаться от рассылки, введите e-mail, на который вы получаете наши письма:

 

Поиск подшипников

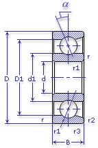
Масса и размеры

Внутренний диаметр d, мм

От  до 

Наружный диаметр D, мм

От  до 

Ширина b, мм

Применяемость

Раздел каталога

Подшипник шариковый радиально-упорный однорядный

46112 Л ТУ 37.006.087

Отечественный
Импортный

Производитель



уточнять наличие
Обозначение 46112 Л ТУ 37.006.087
Внутренний диаметр, d (мм) 60
Наружный диаметр, D (мм) 95
Ширина, В (мм) 18
Масса, m (кг) 0.474
Грузоподъемность динамическая, C (kN) 37.4
Грузоподъемность статическая, Co (kN) 24.5
Ном. частота вращен. при пластич. смазке, n grease (1/min) 7000
Марка стали, Материал ШХ-15
Диаметр шарика, d шарика (мм) 11.112
Количество шариков, N шариков 18
Ном. частота вращен. при жидк. смазке, n oil (1/min) 9500
Диаметр борта наружного кольца, D1(mm) 84.2
Диаметр борта внутреннего кольца, d1 (mm) 70.8
Радиус фаски, r2, r3 min (мм) 0.6
Радиус фаски, r, r1 min (мм) 1.1
46112 Л ТУ 37.006.087

Этот подшипник может быть заменен другими:

Подшипник 246112 — У3, "У4" и т.д. - комплект из двух и более упорных подшипников

Подшипник 346112 — У3, "У4" и т.д. - комплект из двух и более упорных подшипников

Подшипник 446112 — У3, "У4" и т.д. - комплект из двух и более упорных подшипников

Бренд Обозначение
ГПЗ 46112
SKF 7012ACD
FAG 7012E
NSK 7012A
Товар добавлен в корзину
Перейти в корзину ×