Подшипники гост
Интернет-магазин
8-800-250-16-58
Обратный звонок

Заказ обратного звонка




Эл. почта:
info@amost.ru
Свои заказы Корзина пуста





Получать прайс-лист на email:

Чтобы отписаться от рассылки, введите e-mail, на который вы получаете наши письма:

 

Поиск подшипников

Масса и размеры

Внутренний диаметр d, мм

От  до 

Наружный диаметр D, мм

От  до 

Ширина b, мм

Применяемость

Раздел каталога

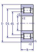
Подшипник роликовый радиальный с короткими цилиндрическими роликами однорядный с бортами на наружном кольце и с однобортовым внутренним кольцом

42305 ЛМ ЕТУ ВНИПП.500

Отечественный
Импортный

Производитель



уточнять наличие
Обозначение 42305 ЛМ ЕТУ ВНИПП.500
Внутренний диаметр, d (мм) 25
Наружный диаметр, D (мм) 62
Ширина, В (мм) 17
Масса, m (кг) 0.267
Грузоподъемность динамическая, C (kN) 28.66
Грузоподъемность статическая, Co (kN) 15
Ном. частота вращен. при пластич. смазке, n grease (1/min) 9500
Ном. частота вращен. при жидк. смазке, n oil (1/min) 12000
Диаметр борта наружного кольца, D1(mm) 49.4
Диаметр борта внутреннего кольца, d1 (mm) 38.6
Радиус фаски, r1, r2 min (мм) 1.1
Размеры ролика, dxl (мм) 9х9
Количество роликов, N роликов 11
42305 ЛМ ЕТУ ВНИПП.500
Марка Модель Узел Кол-во на узел
Подшипники ГАЗ 2108 Коробка передач: вал вторичный 1
Подшипники ГАЗ 2108 Коробка передач: вал вторичный, опора передняя -
Подшипники ГАЗ 2109 Коробка передач: вал вторичный 1
Подшипники ГАЗ 2109 Коробка передач: вал вторичный, опора передняя -
Подшипники ГАЗ 2110 Коробка передач: вал вторичный, опора передняя -
Подшипники ГАЗ 2110 Коробка передач: вал вторичный, опора передняя 1
Подшипники ГАЗ 2110 Коробка передач: вал вторичный, опора передняя 1
Подшипники ГАЗ 2111 Коробка передач: вал вторичный, опора передняя -
Подшипники ГАЗ 2111 Коробка передач: вал вторичный, опора передняя 1
Подшипники ГАЗ 2111 Коробка передач: вал вторичный, опора передняя 1
Подшипники ГАЗ 2112 Коробка передач: вал вторичный, опора передняя 1
Подшипники ГАЗ 2115 Коробка передач: вал вторичный, опора передняя -
Подшипники ГАЗ 2115 Коробка передач: вал вторичный, опора передняя -
Трактор Т-40 Двигатель пусковой: вал коленчатый 1
Трактор Т-40 Двигатель пусковой: вал коленчатый 1
Трактор Т-40А Двигатель пусковой: вал коленчатый 1
Трактор Т-40А Двигатель пусковой: вал коленчатый 1
Трактор Т-40АМ Двигатель пусковой -
Трактор Т-40М Двигатель пусковой -
УАЗ 2206 Коробка передач: вал промежуточный 1
УАЗ 2206 Коробка раздаточная 1
УАЗ 3151 Коробка раздаточная 1
УАЗ 31512 Коробка передач: вал промежуточный 1
УАЗ 31514 Коробка передач: вал промежуточный 1
УАЗ 3153 Коробка передач: вал промежуточный 1
УАЗ 3160 Коробка передач (IV): вал промежуточный, опора передняя -
УАЗ 3160 Коробка передач (V): вал промежуточный, опора передняя -
УАЗ 31601 Коробка передач (IV): вал промежуточный, опора передняя -
УАЗ 31601 Коробка передач (V): вал промежуточный, опора передняя -
УАЗ 31604 Коробка передач (IV): вал промежуточный, опора передняя -
УАЗ 31604 Коробка передач (V): вал промежуточный, опора передняя -
УАЗ 31605 Коробка передач (IV): вал промежуточный, опора передняя -
УАЗ 31605 Коробка передач (V): вал промежуточный, опора передняя -
УАЗ 3303 Коробка передач: вал промежуточный 1
УАЗ 3303 Коробка раздаточная 1
УАЗ 33036 Коробка передач: вал промежуточный 1
УАЗ 3741 Коробка передач: вал промежуточный 1
УАЗ 3741 Коробка раздаточная 1
УАЗ 3909 Коробка передач: вал промежуточный 1
УАЗ 3962 Коробка передач: вал промежуточный 1
УАЗ 3962 Коробка раздаточная 1
УАЗ 452 фургон Коробка раздаточная 1
УАЗ 452А Коробка раздаточная 1
УАЗ 452В Коробка раздаточная 1
УАЗ 452Д Коробка раздаточная 1
УАЗ 469 Коробка раздаточная 1
УАЗ 469Б Коробка раздаточная 1
УАЗ 469БГ Коробка раздаточная 1
УАЗ 469М Коробка раздаточная 1
Бренд Обозначение
ГПЗ 42305
SKF NJ305
FAG NJ305
NSK NJ305
Товар добавлен в корзину
Перейти в корзину ×