Подшипники гост
Интернет-магазин
8-800-250-16-58
Обратный звонок

Заказ обратного звонка




Эл. почта:
info@amost.ru
Свои заказы Корзина пуста





Получать прайс-лист на email:

Чтобы отписаться от рассылки, введите e-mail, на который вы получаете наши письма:

 

Поиск подшипников

Масса и размеры

Внутренний диаметр d, мм

От  до 

Наружный диаметр D, мм

От  до 

Ширина b, мм

Применяемость

Раздел каталога

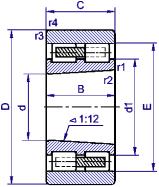
Подшипник роликовый радиальный с короткими цилиндрическими роликами двухрядный с безбортовым наружным кольцом с коническим посадочным отверстием

3182140 КW3 ТУ 37.006.107

Отечественный
Импортный

Производитель



уточнять наличие
Обозначение 3182140 КW3 ТУ 37.006.107
Внутренний диаметр, d (мм) 200
Наружный диаметр, D (мм) 310
Ширина, В (мм) 82
Масса, m (кг) 21.9
Грузоподъемность динамическая, C (kN) 665
Грузоподъемность статическая, Co (kN) 1140
Ном. частота вращен. при пластич. смазке, n grease (1/min) 2400
Марка стали, Материал ШХ-15
Ном. частота вращен. при жидк. смазке, n oil (1/min) 2800
Размеры ролика, dxl (мм) 26х26
Количество роликов, N роликов 52
3182140 КW3 ТУ 37.006.107
Бренд Обозначение
ГПЗ 3182140
SKF NN3040K
FAG NN3040K
NSK NN3040K
Товар добавлен в корзину
Перейти в корзину ×