5НР15088 ПЕС30Ш1 ГОСТ 520
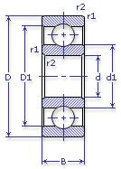
| Обозначение | 5НР15088 ПЕС30Ш1 ГОСТ 520 |
|---|---|
| Внутренний диаметр, d (мм) | 16 |
| Наружный диаметр, D (мм) | 30 |
| Ширина, В (мм) | 36/87.5 |
| Масса, m (кг) | 0.2 |
| Грузоподъемность динамическая, C (kN) | 6.5/12.7 |
| Грузоподъемность статическая, Co (kN) | 2.7/11.8 |
| Ном. частота вращен. при пластич. смазке, n grease (1/min) | 10000 |
