Подшипники гост
Интернет-магазин
8-800-250-16-58
Обратный звонок

Заказ обратного звонка




Эл. почта:
info@amost.ru
Свои заказы Корзина пуста





Получать прайс-лист на email:

Чтобы отписаться от рассылки, введите e-mail, на который вы получаете наши письма:

 

Поиск подшипников

Масса и размеры

Внутренний диаметр d, мм

От  до 

Наружный диаметр D, мм

От  до 

Ширина b, мм

Применяемость

Раздел каталога

Подшипник шариковый радиальный однорядный основного конструктивного исполнения

209 АШ2 ГОСТ 520

Отечественный
Импортный
Цена: 85.00 руб

Производитель



под заказ
Обозначение 209 АШ2 ГОСТ 520
Цена импортная 80
Новинки N
Хиты продаж N
Скидки N
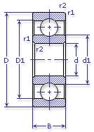
Внутренний диаметр, d (мм) 45
Наружный диаметр, D (мм) 85
Ширина, В (мм) 19
Масса, m (кг) 0.41
Грузоподъемность динамическая, C (kN) 33.2
Грузоподъемность статическая, Co (kN) 18.6
Ном. частота вращен. при пластич. смазке, n grease (1/min) 7500
Диаметр шарика, d шарика (мм) 12.7
Количество шариков, N шариков 9
Ном. частота вращен. при жидк. смазке, n oil (1/min) 9000
Диаметр борта наружного кольца, D1(mm) 72.6
Диаметр борта внутреннего кольца, d1 (mm) 57.4
Радиус фаски, r1, r2 min (мм) 1.1
209 АШ2 ГОСТ 520

Этот подшипник может быть заменен другими:

Подшипник 50209 — Условие отсутствует

Подшипник 60209 — При условии демонтажа одной защитной шайбы

Подшипник 160209 — При условии демонтажа одной защитной шайбы

Подшипник 150209 — При условии демонтажа одной защитной шайбы (п/ш с канавкой)

Подшипник 80209 — При условии демонтажа 2-х защитных шайб

Подшипник 180209 — При условии демонтажа 2-х защитных шайб

Подшипник 450209 — При условии демонтажа 2-х защитных шайб

Подшипник 190209 — Аналог состоит из двух искомых подшипников

Марка Модель Узел Кол-во на узел
Автопогрузчик 4014 Коробка передач 1
Автопогрузчик 4016 Коробка передач 1
Автопогрузчик 4017 Коробка передач 1
Автопогрузчик 4043М Коробка передач 1
Автопогрузчик 4045Р Коробка передач 1
Автопогрузчик 4065 Коробка передач 1
Подшипники ГАЗ 2121 Niva Дифференциал 1
ГАЗ 52-01 Коробка передач 1
ГАЗ 52-01 Коробка передач: вал ведущий 1
ГАЗ 52-04 Коробка передач 1
ГАЗ 52-04 Коробка передач: вал ведущий 1
ГАЗ 52-05 Коробка передач 1
ГАЗ 52-05 Коробка передач: вал ведущий 1
ЗИЛ 131М Мост задний 1
ЗИЛ 131М Мост средний 1
ЗИЛ 131МВ Мост задний 1
ЗИЛ 131МВ Мост средний 1
ЗИЛ 133ВЯ Мост задний 1
ЗИЛ 133ВЯ Мост средний 1
ЗИЛ 133Г1 Мост задний 1
ЗИЛ 133Г1 Мост средний 1
ЗИЛ 133ГЯ Мост задний 1
ЗИЛ 133ГЯ Мост средний 1
Комбайн Дон-680 Редуктор вальцов верхних 2
Комбайн Дон-680 Редуктор цилиндрический 4
Косилка КПС-5Г Коробка главная -
МАЗ 537 Компрессор 1
МАЗ 537Г Компрессор 1
МАЗ 538 Коробка передач гидромеханическая 1
МАЗ 547 Двигатель: система охлаждения 9
МАЗ 547 Управление рулевое 2
МАЗ 7410 Двигатель: система охлаждения 8
МАЗ 7410 Управление рулевое 1
МоАЗ 546П-Д357П Коробка отбора мощности 1
МоАЗ 6401-9585 Коробка отбора мощности 1
МоАЗ 6401-9585 Коробка передач гидромеханическая 1
Мототехника Днепр-11 Вал коленчатый: опора передняя -
Мототехника МТ10-36 Днепр Вал коленчатый: опора передняя -
САЗ 4509 Коробка передач: вал ведущий 1
Станкостроение Не указано Не указано -
Станкостроение Не указано Не указано -
Станкостроение Не указано Не указано -
Трактор ДТ-20 Вал отбора мощности 1
Трактор К-701 Мост ведущий 4
Трактор К-701 Двигатель: вал ведомый гидромуфты -
Трактор К-701 Двигатель: вал ведущий гидромуфты 2
Трактор МТЗ-2 Двигатель: привод генератора, опоры передняя и задняя 2
Трактор МТЗ-2 Механизм гидравлический: опора задняя 1
Трактор МТЗ-5 Двигатель: привод генератора, опоры передняя и задняя 1
Трактор МТЗ-80 Вал отбора мощности задний: барабан шестерни солнечной, опоры передняя и задняя 2
Трактор МТЗ-80Л Вал отбора мощности задний: барабан шестерни солнечной, опоры передняя и задняя 2
Трактор МТЗ-82 Вал отбора мощности задний: барабан шестерни солнечной, опоры передняя и задняя 2
Трактор МТЗ-82 Мост передний ведущий: редуктор передачи конечной 2
Трактор МТЗ-82Л Вал отбора мощности задний: барабан шестерни солнечной, опоры передняя и задняя 2
Трактор МТЗ-82Л Мост передний ведущий: редуктор передачи конечной 2
Трактор Т-11.01.01Я Коробка передач планетарная 1
Трактор Т-11.01.01ЯМ Коробка передач планетарная 1
Трактор Т-11.01.01ЯМП Коробка передач планетарная 1
Трактор Т-25 Вал отбора мощности 1
Трактор Т-40 Коробка передач: пара коническая 1
Трактор Т-40А Коробка передач: пара коническая 1
Трактор Т-40А Мост передний ведущий: шестерня ведущая передачи главной 1
Трактор Т-40АМ Коробка передач с дифференциалом -
Трактор Т-40АМ Мост передний ведущий: шестерня ведущая -
Трактор Т-40АНМ Коробка передач с дифференциалом -
Трактор Т-40АНМ Мост передний ведущий: шестерня ведущая -
Трактор Т-40М Коробка передач с дифференциалом -
Трактор Т-4А Насос топливный: валик -
Трактор Т-75 Сцепление: вал муфты главной, опора передняя 1
Трактор Т-75 Двигатель: вал ведомый механизма передаточного двигателя пускового, опора задняя 1
Трактор ТТ-4М Маховик -
Трактор ТТ-4М Насос топливный: валик привода -
Трактор ТТ-4М-01 Маховик -
Трактор ТТ-4М-01 Насос топливный: валик привода -
Бренд Обозначение
ГПЗ 209
SKF 6209
FAG 6209
NSK 6209
Товар добавлен в корзину
Перейти в корзину ×