Подшипники гост
Интернет-магазин
8-800-250-16-58
Обратный звонок

Заказ обратного звонка




Эл. почта:
info@amost.ru
Свои заказы Корзина пуста





Получать прайс-лист на email:

Чтобы отписаться от рассылки, введите e-mail, на который вы получаете наши письма:

 

Поиск подшипников

Масса и размеры

Внутренний диаметр d, мм

От  до 

Наружный диаметр D, мм

От  до 

Ширина b, мм

Применяемость

Раздел каталога

Подшипник шариковый радиальный однорядный основного конструктивного исполнения

727 Л ТУ 37.006.087

Отечественный
Импортный

Производитель



уточнять наличие
Обозначение 727 Л ТУ 37.006.087
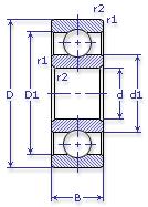
Внутренний диаметр, d (мм) 135
Наружный диаметр, D (мм) 195
Ширина, В (мм) 28
Масса, m (кг) 3.08
Грузоподъемность динамическая, C (kN) 55.7
Грузоподъемность статическая, Co (kN) 56.7
Ном. частота вращен. при пластич. смазке, n grease (1/min) 2600
Марка стали, Материал ШХ-15
Диаметр шарика, d шарика (мм) 15.875
Количество шариков, N шариков 18
Ном. частота вращен. при жидк. смазке, n oil (1/min) 3200
Диаметр борта наружного кольца, D1(mm) 175
Диаметр борта внутреннего кольца, d1 (mm) 154
Радиус фаски, r1, r2 min (мм) 4
727 Л ТУ 37.006.087
Марка Модель Узел Кол-во на узел
КЗКТ Э538ДК Двигатель 1
КЗКТ Э538ДП Двигатель 1
МАЗ 537 Двигатель 1
МАЗ 537Г Двигатель 1
МАЗ 538 Двигатель 1
МАЗ 543 Двигатель 1
МАЗ 547 Двигатель 1
МАЗ 7310 Двигатель 1
МАЗ 73101 Двигатель 1
МАЗ 7410 Двигатель 1
Товар добавлен в корзину
Перейти в корзину ×