Подшипники гост
Интернет-магазин
8-800-250-16-58
Обратный звонок

Заказ обратного звонка




Эл. почта:
info@amost.ru
Свои заказы Корзина пуста





Получать прайс-лист на email:

Чтобы отписаться от рассылки, введите e-mail, на который вы получаете наши письма:

 

Поиск подшипников

Масса и размеры

Внутренний диаметр d, мм

От  до 

Наружный диаметр D, мм

От  до 

Ширина b, мм

Применяемость

Раздел каталога

Подшипник шариковый радиально-упорный однорядный основного конструктивного исполнения

46305 Л ТУ 37.006.068

Отечественный
Импортный

Производитель



уточнять наличие
Обозначение 46305 Л ТУ 37.006.068
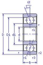
Внутренний диаметр, d (мм) 25
Наружный диаметр, D (мм) 62
Ширина, В (мм) 17
Масса, m (кг) 0.23
Грузоподъемность динамическая, C (kN) 26.9
Грузоподъемность статическая, Co (kN) 14.6
Ном. частота вращен. при пластич. смазке, n grease (1/min) 9000
Диаметр шарика, d шарика (мм) 11.509
Количество шариков, N шариков 9
Ном. частота вращен. при жидк. смазке, n oil (1/min) 12000
Диаметр борта наружного кольца, D1(mm) 50.4
Диаметр борта внутреннего кольца, d1 (mm) 36.6
Радиус фаски, r2, r3 min (мм) 0.6
Радиус фаски, r, r1 min (мм) 1.1
46305 Л ТУ 37.006.068

Этот подшипник может быть заменен другими:

Подшипник 246305 — У3, "У4" и т.д. - комплект из двух и более упорных подшипников

Подшипник 346305 — У3, "У4" и т.д. - комплект из двух и более упорных подшипников

Подшипник 446305 — У3, "У4" и т.д. - комплект из двух и более упорных подшипников

Марка Модель Узел Кол-во на узел
КЗКТ Э538ДК Двигатель 2
КЗКТ Э538ДП Двигатель 2
МАЗ 537 Двигатель 2
МАЗ 537Г Двигатель 2
МАЗ 538 Двигатель 2
МАЗ 543 Двигатель 2
МАЗ 547 Двигатель 2
МАЗ 7310 Двигатель 2
МАЗ 73101 Двигатель 2
МАЗ 7410 Двигатель 2
Бренд Обозначение
ГПЗ 46305
SKF 7305ACD
FAG 7305E
NSK 7305A
Товар добавлен в корзину
Перейти в корзину ×