Подшипники гост
Интернет-магазин
8-800-250-16-58
Обратный звонок

Заказ обратного звонка




Эл. почта:
info@amost.ru
Свои заказы Корзина пуста





Получать прайс-лист на email:

Чтобы отписаться от рассылки, введите e-mail, на который вы получаете наши письма:

 

Поиск подшипников

Масса и размеры

Внутренний диаметр d, мм

От  до 

Наружный диаметр D, мм

От  до 

Ширина b, мм

Применяемость

Раздел каталога

Подшипник шариковый радиально-упорный однорядный основного конструктивного исполнения

46305 Б1Т2 ТУ 100/3

Отечественный
Импортный

Производитель



уточнять наличие
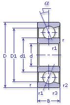
Обозначение 46305 Б1Т2 ТУ 100/3
Внутренний диаметр, d (мм) 25
Наружный диаметр, D (мм) 62
Ширина, В (мм) 17
Масса, m (кг) 0.23
Грузоподъемность динамическая, C (kN) 26.9
Грузоподъемность статическая, Co (kN) 14.6
Ном. частота вращен. при пластич. смазке, n grease (1/min) 9000
Диаметр шарика, d шарика (мм) 11.509
Количество шариков, N шариков 9
Ном. частота вращен. при жидк. смазке, n oil (1/min) 12000
Диаметр борта наружного кольца, D1(mm) 50.4
Диаметр борта внутреннего кольца, d1 (mm) 36.6
Радиус фаски, r2, r3 min (мм) 0.6
Радиус фаски, r, r1 min (мм) 1.1
46305 Б1Т2 ТУ 100/3

Этот подшипник может быть заменен другими:

Подшипник 246305 — У3, "У4" и т.д. - комплект из двух и более упорных подшипников

Подшипник 346305 — У3, "У4" и т.д. - комплект из двух и более упорных подшипников

Подшипник 446305 — У3, "У4" и т.д. - комплект из двух и более упорных подшипников

Марка Модель Узел Кол-во на узел
КЗКТ Э538ДК Двигатель 2
КЗКТ Э538ДП Двигатель 2
МАЗ 537 Двигатель 2
МАЗ 537Г Двигатель 2
МАЗ 538 Двигатель 2
МАЗ 543 Двигатель 2
МАЗ 547 Двигатель 2
МАЗ 7310 Двигатель 2
МАЗ 73101 Двигатель 2
МАЗ 7410 Двигатель 2
Бренд Обозначение
ГПЗ 46305
SKF 7305ACD
FAG 7305E
NSK 7305A
Товар добавлен в корзину
Перейти в корзину ×