Подшипники гост
Интернет-магазин
8-800-250-16-58
Обратный звонок

Заказ обратного звонка




Эл. почта:
info@amost.ru
Свои заказы Корзина пуста





Получать прайс-лист на email:

Чтобы отписаться от рассылки, введите e-mail, на который вы получаете наши письма:

 

Поиск подшипников

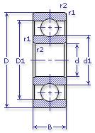
Масса и размеры

Внутренний диаметр d, мм

От  до 

Наружный диаметр D, мм

От  до 

Ширина b, мм

Применяемость

Раздел каталога

Подшипник шариковый радиальный однорядный основного конструктивного исполнения

309 Е ГОСТ 520

Отечественный
Импортный

Производитель



уточнять наличие
Обозначение 309 Е ГОСТ 520
Внутренний диаметр, d (мм) 45
Наружный диаметр, D (мм) 100
Ширина, В (мм) 25
Масса, m (кг) 0.8400
Грузоподъемность динамическая, C (kN) 52.7
Грузоподъемность статическая, Co (kN) 31.5
Ном. частота вращен. при пластич. смазке, n grease (1/min) 6700
Диаметр шарика, d шарика (мм) 16.462
Количество шариков, N шариков 8
Ном. частота вращен. при жидк. смазке, n oil (1/min) 8000
309 Е ГОСТ 520

Этот подшипник может быть заменен другими:

Подшипник 50309 — Условие отсутствует

Подшипник 60309 — При условии демонтажа одной защитной шайбы

Подшипник 160309 — При условии демонтажа одной защитной шайбы

Подшипник 150309 — При условии демонтажа одной защитной шайбы (п/ш с канавкой)

Подшипник 80309 — При условии демонтажа 2-х защитных шайб

Подшипник 180309 — При условии демонтажа 2-х защитных шайб

Подшипник 450309 — При условии демонтажа 2-х защитных шайб

Марка Модель Узел Кол-во на узел
Автопогрузчик 4016 Грузоподъемник 1
Автопогрузчик 4017 Грузоподъемник 1
БелАЗ 549(75т) Коробка отбора мощности 1
БелАЗ 7420-9590 Вентилятор: редуктор привода 1
БелАЗ 7420-9590 Электродвигатель 1
БелАЗ 7509 Коробка отбора мощности 2
БелАЗ 75091(75т) Коробка отбора мощности 2
БелАЗ 7519 Коробка отбора мощности 3
БелАЗ 75191(110т) Коробка отбора мощности 2
БелАЗ 75211(180т) Коробка отбора мощности 3
КАЗ 4540 Сцепление 1
КАЗ 4540 Сцепление 1
КЗКТ Э538ДК Двигатель 2
КЗКТ Э538ДП Двигатель 2
Комбайн Дон-1200 Коробка диапазонов 1
Комбайн Дон-1200 Коробка диапазонов скоростей: сцепление -
Комбайн Дон-1500 Коробка диапазонов 1
Комбайн Дон-1500 Коробка диапазонов скоростей: сцепление -
Комбайн Дон-1500А Коробка диапазонов 1
Комбайн Дон-680 Коробка диапазонов 1
Комбайн Дон-680 Редуктор питателя 3
Комбайн Дон-680 Редуктор ускорителя 3
Комбайн Дон-680 Стакан редуктора цилиндрического 1
Комбайн Енисей-1200 Коробка передач -
Комбайн КЗС-3 Коробка диапазонов: вал вторичный -
Комбайн Колос Коробка передач -
Комбайн КОП-1.4 Измельчитель -
Комбайн КСК-100А/А1 Мост ведущий: коробка передач, валы и шестерни -
Комбайн КСКУ-6 Барабан -
Комбайн Нива Коробка передач 1
Комбайн Нива Коробка передач: вал -
Косилка КПС-5Г Коробка передач -
МАЗ 537 Двигатель 2
МАЗ 537Г Двигатель 2
МАЗ 538 Двигатель 2
МАЗ 543 Двигатель 3
МАЗ 543 Двигатель: система охлаждения 2
МАЗ 5434 Коробка раздаточная 1
МАЗ 5464 Коробка раздаточная -
МАЗ 547 Двигатель 3
МАЗ 547 Двигатель: система охлаждения 1
МАЗ 7310 Двигатель 3
МАЗ 7310 Двигатель: система охлаждения 1
МАЗ 73101 Двигатель 3
МАЗ 73101 Двигатель: система охлаждения 2
МАЗ 7410 Двигатель 3
МАЗ 7410 Двигатель: система охлаждения 2
Трактор ДТ-20 Передача конечная: вал ведущий 4
Трактор ДТ-75МВ Ролик поддерживающий 4
Трактор МТЗ-100 Корпус КП: опора задняя первичного вала -
Трактор МТЗ-102 Корпус КП: опора задняя первичного вала -
Трактор Т-150 Ролик поддерживающий: ось 4
Трактор Т-151К с двигателем СМД-62/63 Двигатель, пусковой двигатель: вал редуктора -
Трактор Т-16 Передача конечная 4
Трактор Т-25 Передача бортовая 4
Трактор Т-25А Передача бортовая -
Трактор Т-40 Вал отбора мощности боковой 1
Трактор Т-40А Вал отбора мощности боковой 1
Трактор Т-40АМ Вал отбора мощности боковой -
Трактор Т-40АНМ Вал отбора мощности боковой -
Трактор Т-40М Вал отбора мощности боковой -
Трактор Т-75МВ с двигателем А-41 Ролик поддерживающий -
Трактор ТТ-4М Вал отбора мощности -
Трактор ТТ-4М-01 Вал отбора мощности -
Трактор ХТЗ-16131 (кроме двигателя) Вал отбора мощности: вал промежуточный -
Бренд Обозначение
ГПЗ 309
SKF 6309
FAG 6309
NSK 6309
Товар добавлен в корзину
Перейти в корзину ×