Подшипники гост
Интернет-магазин
8-800-250-16-58
Обратный звонок

Заказ обратного звонка




Эл. почта:
info@amost.ru
Свои заказы Корзина пуста





Получать прайс-лист на email:

Чтобы отписаться от рассылки, введите e-mail, на который вы получаете наши письма:

 

Поиск подшипников

Масса и размеры

Внутренний диаметр d, мм

От  до 

Наружный диаметр D, мм

От  до 

Ширина b, мм

Применяемость

Раздел каталога

Подшипник шариковый радиальный однорядный основного конструктивного исполнения

309 АК ТУ 37.006.087

Отечественный
Импортный

Производитель



уточнять наличие
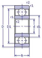
Обозначение 309 АК ТУ 37.006.087
Внутренний диаметр, d (мм) 45
Наружный диаметр, D (мм) 100
Ширина, В (мм) 25
Масса, m (кг) 0.8400
Грузоподъемность динамическая, C (kN) 52.7
Грузоподъемность статическая, Co (kN) 31.5
Ном. частота вращен. при пластич. смазке, n grease (1/min) 6700
Диаметр шарика, d шарика (мм) 16.462
Количество шариков, N шариков 8
Ном. частота вращен. при жидк. смазке, n oil (1/min) 8000
309 АК ТУ 37.006.087

Этот подшипник может быть заменен другими:

Подшипник 50309 — Условие отсутствует

Подшипник 60309 — При условии демонтажа одной защитной шайбы

Подшипник 160309 — При условии демонтажа одной защитной шайбы

Подшипник 150309 — При условии демонтажа одной защитной шайбы (п/ш с канавкой)

Подшипник 80309 — При условии демонтажа 2-х защитных шайб

Подшипник 180309 — При условии демонтажа 2-х защитных шайб

Подшипник 450309 — При условии демонтажа 2-х защитных шайб

Марка Модель Узел Кол-во на узел
Автопогрузчик 4016 Грузоподъемник 1
Автопогрузчик 4017 Грузоподъемник 1
БелАЗ 549(75т) Коробка отбора мощности 1
БелАЗ 7420-9590 Вентилятор: редуктор привода 1
БелАЗ 7420-9590 Электродвигатель 1
БелАЗ 7509 Коробка отбора мощности 2
БелАЗ 75091(75т) Коробка отбора мощности 2
БелАЗ 7519 Коробка отбора мощности 3
БелАЗ 75191(110т) Коробка отбора мощности 2
БелАЗ 75211(180т) Коробка отбора мощности 3
КАЗ 4540 Сцепление 1
КАЗ 4540 Сцепление 1
КЗКТ Э538ДК Двигатель 2
КЗКТ Э538ДП Двигатель 2
Комбайн Дон-1200 Коробка диапазонов 1
Комбайн Дон-1200 Коробка диапазонов скоростей: сцепление -
Комбайн Дон-1500 Коробка диапазонов 1
Комбайн Дон-1500 Коробка диапазонов скоростей: сцепление -
Комбайн Дон-1500А Коробка диапазонов 1
Комбайн Дон-680 Коробка диапазонов 1
Комбайн Дон-680 Редуктор питателя 3
Комбайн Дон-680 Редуктор ускорителя 3
Комбайн Дон-680 Стакан редуктора цилиндрического 1
Комбайн Енисей-1200 Коробка передач -
Комбайн КЗС-3 Коробка диапазонов: вал вторичный -
Комбайн Колос Коробка передач -
Комбайн КОП-1.4 Измельчитель -
Комбайн КСК-100А/А1 Мост ведущий: коробка передач, валы и шестерни -
Комбайн КСКУ-6 Барабан -
Комбайн Нива Коробка передач 1
Комбайн Нива Коробка передач: вал -
Косилка КПС-5Г Коробка передач -
МАЗ 537 Двигатель 2
МАЗ 537Г Двигатель 2
МАЗ 538 Двигатель 2
МАЗ 543 Двигатель 3
МАЗ 543 Двигатель: система охлаждения 2
МАЗ 5434 Коробка раздаточная 1
МАЗ 5464 Коробка раздаточная -
МАЗ 547 Двигатель 3
МАЗ 547 Двигатель: система охлаждения 1
МАЗ 7310 Двигатель 3
МАЗ 7310 Двигатель: система охлаждения 1
МАЗ 73101 Двигатель 3
МАЗ 73101 Двигатель: система охлаждения 2
МАЗ 7410 Двигатель 3
МАЗ 7410 Двигатель: система охлаждения 2
Трактор ДТ-20 Передача конечная: вал ведущий 4
Трактор ДТ-75МВ Ролик поддерживающий 4
Трактор МТЗ-100 Корпус КП: опора задняя первичного вала -
Трактор МТЗ-102 Корпус КП: опора задняя первичного вала -
Трактор Т-150 Ролик поддерживающий: ось 4
Трактор Т-151К с двигателем СМД-62/63 Двигатель, пусковой двигатель: вал редуктора -
Трактор Т-16 Передача конечная 4
Трактор Т-25 Передача бортовая 4
Трактор Т-25А Передача бортовая -
Трактор Т-40 Вал отбора мощности боковой 1
Трактор Т-40А Вал отбора мощности боковой 1
Трактор Т-40АМ Вал отбора мощности боковой -
Трактор Т-40АНМ Вал отбора мощности боковой -
Трактор Т-40М Вал отбора мощности боковой -
Трактор Т-75МВ с двигателем А-41 Ролик поддерживающий -
Трактор ТТ-4М Вал отбора мощности -
Трактор ТТ-4М-01 Вал отбора мощности -
Трактор ХТЗ-16131 (кроме двигателя) Вал отбора мощности: вал промежуточный -
Бренд Обозначение
ГПЗ 309
SKF 6309
FAG 6309
NSK 6309
Товар добавлен в корзину
Перейти в корзину ×