Подшипники гост
Интернет-магазин
8-800-250-16-58
Обратный звонок

Заказ обратного звонка




Эл. почта:
info@amost.ru
Свои заказы Корзина пуста





Получать прайс-лист на email:

Чтобы отписаться от рассылки, введите e-mail, на который вы получаете наши письма:

 

Поиск подшипников

Масса и размеры

Внутренний диаметр d, мм

От  до 

Наружный диаметр D, мм

От  до 

Ширина b, мм

Применяемость

Раздел каталога

Подшипник шариковый радиальный однорядный основного конструктивного исполнения

202 ГОСТ 520

Отечественный
Импортный
Цена: 20.00 руб

Производитель



под заказ
Обозначение 202 ГОСТ 520
Цена импортная 17
Новинки N
Хиты продаж N
Скидки N
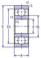
Внутренний диаметр, d (мм) 15
Наружный диаметр, D (мм) 35
Ширина, В (мм) 11
Масса, m (кг) 0.046
Грузоподъемность динамическая, C (kN) 7.8
Грузоподъемность статическая, Co (kN) 3.55
Ном. частота вращен. при пластич. смазке, n grease (1/min) 19000
Диаметр шарика, d шарика (мм) 5.953
Количество шариков, N шариков 8
Ном. частота вращен. при жидк. смазке, n oil (1/min) 24000
Диаметр борта наружного кольца, D1(mm) 29.2
Диаметр борта внутреннего кольца, d1 (mm) 21.2
Радиус фаски, r1, r2 min (мм) 0.6
202 ГОСТ 520

Этот подшипник может быть заменен другими:

Подшипник 50202 — Условие отсутствует

Подшипник 60202 — При условии демонтажа одной защитной шайбы

Подшипник 160202 — При условии демонтажа одной защитной шайбы

Подшипник 150202 — При условии демонтажа одной защитной шайбы (п/ш с канавкой)

Подшипник 80202 — При условии демонтажа 2-х защитных шайб

Подшипник 180202 — При условии демонтажа 2-х защитных шайб

Подшипник 450202 — При условии демонтажа 2-х защитных шайб

Марка Модель Узел Кол-во на узел
Автопогрузчик 4008М Электрооборудование 1
Автопогрузчик 4014 Электрооборудование 1
Автопогрузчик 4016 Электрооборудование 1
Автопогрузчик 4017 Электрооборудование 1
Автопогрузчик 4043М Электрооборудование 1
Автопогрузчик 4045Р Электрооборудование 1
Автопогрузчик 4065 Электрооборудование 1
БелАЗ 540А(27т) Двигатель: система питания 1
БелАЗ 548(40т) Двигатель: система питания 1
БелАЗ 549(75т) Двигатель 2
БелАЗ 7509 Двигатель 2
БелАЗ 75091(75т) Двигатель 2
БелАЗ 7522(30т) Двигатель: система питания 1
БелАЗ 7523(40т) Двигатель: система питания 1
БелАЗ 7548(42т) Двигатель 1
БелАЗ 7548(42т) Двигатель: система питания 1
ЗИУ 683Б Двигатель 1
ЗИУ 9В(682В) Двигатель 1
КАЗ 608В Электрооборудование 1
КрАЗ 214Б Генератор: якорь, опора задняя -
МАЗ 504В Двигатель: система питания 1
МАЗ 509А Двигатель: система питания 1
МАЗ 5322 Двигатель: система питания 1
МАЗ 5334 Двигатель: система питания 1
МАЗ 5335 Двигатель: система питания 1
МАЗ 5336 Двигатель: система питания 1
МАЗ 5336 Двигатель: система питания -
МАЗ 5338 Двигатель: система питания 1
МАЗ 5429 Двигатель: система питания 1
МАЗ 5430 Двигатель: система питания 1
МАЗ 54321 Двигатель: система питания 1
МАЗ 5433 Двигатель: система питания 1
МАЗ 54333 Двигатель: система питания -
МАЗ 5434 Двигатель: система питания 1
МАЗ 5434 Коробка раздаточная 1
МАЗ 5445 Двигатель: система питания -
МАЗ 5462 Коробка раздаточная -
МАЗ 5549 Двигатель: система питания 1
МАЗ 5551 Двигатель: система питания 1
МАЗ 55512 Двигатель: система питания 1
МАЗ 55523 Двигатель: система питания -
МАЗ 5558 Двигатель: система питания 1
МАЗ 5559 Двигатель: система питания -
МАЗ 5568 Двигатель: система питания -
МАЗ 6303 Двигатель: система питания 1
МАЗ 6303 Двигатель: система питания 1
МАЗ 6422 Двигатель: система питания 1
МАЗ 6422 Двигатель: система питания 1
МАЗ 64221 Двигатель: система питания 1
МАЗ 64221 Двигатель: система питания 1
МАЗ 64224 Двигатель: система питания 1
МАЗ 64227 Двигатель: система питания 1
МАЗ 64227 Двигатель: система питания 1
МАЗ 64229 Двигатель: система питания 1
МАЗ 64235 Двигатель: система питания -
МАЗ 64241 Двигатель: система питания -
МАЗ 642554 Двигатель: система питания 1
МоАЗ 546П-Д357П Двигатель: система питания 1
МоАЗ 6401-9585 Двигатель: система питания 1
МоАЗ 6507 Двигатель: система питания 1
МоАЗ 7405-9586 Двигатель: система питания 1
Москвич ИЖ-2126 Управление рулевое: шестерня, опора задняя -
Мототехника Восход 3 Коробка передач: вал промежуточный -
Мототехника Восход 3М Коробка передач: вал промежуточный -
Мототехника Восход 3М-01 Коробка передач: вал промежуточный -
Мототехника Восход 3М-02 Коробка передач: вал промежуточный -
Мототехника Минск ММВЗ-3.11211 Колесо переднее -
Мототехника Минск ММВЗ-3.11211 Колесо заднее -
Мототехника Минск ММВЗ-3.1135 Колесо переднее -
Мототехника Минск ММВЗ-3.1135 Колесо заднее -
Мототехника Муравей ТГ-200 Коробка передач: вал вторичный, опора левая -
Мототехника Муравей ТГ-200 Коробка передач: вал первичный, опора правая -
Мототехника Муравей ТМЗ-5-402/403 Коробка передач: вал вторичный, опора левая -
Мототехника Муравей ТМЗ-5-402/403 Коробка передач: вал первичный, опора правая -
Трактор ДТ-75 Двигатель: шестерня промежуточная двигателя пускового 6
Трактор ДТ-75 Двигатель: шестерня привода магнето 6
Трактор ДТ-75 Двигатель: валик регулятора двигателя пускового 6
Трактор ДТ-75МВ Двигатель: вал регулятора двигателя пускового 2
Трактор ДТ-75МВ Двигатель: шестерня промежуточная двигателя пускового 2
Трактор ДТ-75МВ Двигатель: шестерня привода магнето двигателя пускового 2
Трактор ДТ-75МВ Двигатель: валик регулятора двигателя пускового 2
Трактор МТЗ-2 Двигатель: вал регулятора двигателя пускового 2
Трактор МТЗ-2 Двигатель пусковой ПД-10М и ПД-10У: шестерня 2
Трактор МТЗ-2 Двигатель пусковой: шестерня регулятора 2
Трактор МТЗ-5 Двигатель: вал регулятора двигателя пускового 2
Трактор МТЗ-5 Двигатель пусковой ПД-10М и ПД-10У: шестерня 2
Трактор МТЗ-5 Двигатель пусковой: шестерня регулятора 2
Трактор МТЗ-50 Генератор Г81-Д: опора передняя 1
Трактор МТЗ-50Л Двигатель пусковой: вал регулятора 2
Трактор МТЗ-50Л Генератор Г81-Д: опора передняя 1
Трактор МТЗ-50Л Двигатель пусковой ПД-10М и ПД-10У: шестерня 2
Трактор МТЗ-50Л Двигатель пусковой: шестерня регулятора 2
Трактор МТЗ-50ПЛ Двигатель пусковой: вал регулятора 2
Трактор МТЗ-50ПЛ Генератор Г81-Д: опора передняя 1
Трактор МТЗ-50ПЛ Двигатель пусковой ПД-10М и ПД-10У: шестерня 2
Трактор МТЗ-50ПЛ Двигатель пусковой: шестерня регулятора 2
Трактор МТЗ-52 Генератор Г81-Д: опора передняя 1
Трактор МТЗ-52Л Двигатель пусковой: вал регулятора 2
Трактор МТЗ-52Л Генератор Г81-Д: опора передняя 1
Трактор МТЗ-52Л Двигатель пусковой ПД-10М и ПД-10У: шестерня 2
Трактор МТЗ-52Л Двигатель пусковой: шестерня регулятора 2
Трактор МТЗ-5К Двигатель пусковой: вал регулятора 2
Трактор МТЗ-5К Двигатель пусковой ПД-10М и ПД-10У: шестерня 2
Трактор МТЗ-5К Двигатель пусковой: шестерня регулятора 2
Трактор МТЗ-5Л Двигатель пусковой: вал регулятора 2
Трактор МТЗ-5Л Двигатель пусковой ПД-10М и ПД-10У: шестерня 2
Трактор МТЗ-5Л Двигатель пусковой: шестерня регулятора 2
Трактор МТЗ-5ЛС Двигатель пусковой: вал регулятора 2
Трактор МТЗ-5ЛС Двигатель пусковой ПД-10М и ПД-10У: шестерня 2
Трактор МТЗ-5ЛС Двигатель пусковой: шестерня регулятора 2
Трактор МТЗ-5М Генератор Г81-Д: опора передняя 1
Трактор МТЗ-5МС Генератор Г81-Д: опора передняя 1
Трактор МТЗ-80Л Двигатель пусковой: валик регулятора 2
Трактор МТЗ-80Л Двигатель пусковой: шестерня промежуточная 2
Трактор МТЗ-80Л Двигатель пусковой: шестерня привода 2
Трактор МТЗ-82Л Двигатель пусковой: валик регулятора 2
Трактор МТЗ-82Л Двигатель пусковой: шестерня промежуточная 2
Трактор МТЗ-82Л Двигатель пусковой: шестерня привода 2
Трактор Т-012 Редуктор: вал первичный -
Трактор Т-150 Двигатель: вал регулятора двигателя пускового 2
Трактор Т-150 Двигатель: шестерня промежуточная двигателя пускового 2
Трактор Т-150 Двигатель: шестерня привода магнето 2
Трактор Т-150К Двигатель: вал регулятора двигателя пускового 2
Трактор Т-150К Двигатель: шестерня промежуточная двигателя пускового 2
Трактор Т-150К Двигатель: шестерня привода магнето 2
Трактор Т-151К с двигателем СМД-62/63 Двигатель: регулятор двигателя пускового -
Трактор Т-151К с двигателем СМД-62/63 Двигатель: привод магнето, колесо зубчатое -
Трактор Т-151К с двигателем СМД-62/63 Двигатель, пусковой двигатель: колесо зубчатое промежуточное -
Трактор Т-16 Генератор: опора передняя 1
Трактор Т-16 Гидронасос: привод 2
Трактор Т-40 Генератор 1
Трактор Т-40 Двигатель пусковой: палец шестерни промежуточной 2
Трактор Т-40 Двигатель пусковой: вал регулятора 2
Трактор Т-40А Генератор 1
Трактор Т-40А Двигатель пусковой: палец шестерни промежуточной 2
Трактор Т-40А Двигатель пусковой: вал регулятора 2
Трактор Т-40АМ Двигатель пусковой -
Трактор Т-40АМ Двигатель пусковой: воздухоочиститель -
Трактор Т-40М Двигатель пусковой -
Трактор Т-40М Двигатель пусковой: воздухоочиститель -
Трактор Т-74 Двигатель пусковой -
Трактор Т-74 Магнето: шестерня привода -
Трактор Т-75 Двигатель: вал регулятора двигателя пускового 2
Трактор Т-75 Двигатель: шестерня промежуточная двигателя пускового 2
Трактор Т-75 Двигатель: шестерня привода магнето 2
Трактор Т-75 Двигатель: валик регулятора двигателя пускового 2
Трактор Т-75 с двигателем СМД-14Г Двигатель: шестерня промежуточная двигателя пускового -
Трактор Т-75 с двигателем СМД-14Г Двигатель: шестерня привода магнето -
Трактор Т-75 с двигателем СМД-14Г Двигатель: валик регулятора двигателя пускового -
Трактор Т-75МВ с двигателем А-41 Двигатель: шестерня промежуточная двигателя пускового -
Трактор Т-75МВ с двигателем А-41 Двигатель: шестерня привода магнето двигателя пускового -
Трактор Т-75МВ с двигателем А-41 Двигатель: валик регулятора двигателя пускового -
Трактор ТТ-4М Двигатель пусковой: редуктор -
Трактор ТТ-4М Двигатель пусковой: валик регулятора и шестерня промежуточная -
Трактор ТТ-4М-01 Двигатель пусковой: редуктор -
Трактор ТТ-4М-01 Двигатель пусковой: валик регулятора и шестерня промежуточная -
Трактор ЮМЗ-6АЛ Двигатель пусковой -
Трактор ЮМЗ-6АМ Двигатель пусковой -
Трактор ЮМЗ-6КМ Двигатель пусковой -
Трамвайный вагон КТМ-5М3 Переключатель реостатный ЭКГ-33Б 2
Трамвайный вагон РВ3-6М2 Переключатель реостатный ЭКГ-20Б 2
Трамвайный вагон Т-2 Таходинамо 11
Трамвайный вагон Т-2 Ускоритель 2
Трамвайный вагон Т-3 Таходинамо 11
Трамвайный вагон Т-3 Ускоритель 2
Бренд Обозначение
ГПЗ 202
SKF 6202
FAG 6202
NSK 6202
Товар добавлен в корзину
Перейти в корзину ×