309 ГОСТ 520
| Обозначение | 309 ГОСТ 520 |
|---|---|
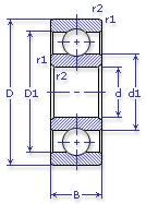
| Внутренний диаметр, d (мм) | 45 |
| Наружный диаметр, D (мм) | 100 |
| Ширина, В (мм) | 25 |
| Масса, m (кг) | 0.8400 |
| Грузоподъемность динамическая, C (kN) | 52.7 |
| Грузоподъемность статическая, Co (kN) | 31.5 |
| Ном. частота вращен. при пластич. смазке, n grease (1/min) | 6700 |
| Диаметр шарика, d шарика (мм) | 16.462 |
| Количество шариков, N шариков | 8 |
| Ном. частота вращен. при жидк. смазке, n oil (1/min) | 8000 |
Этот подшипник может быть заменен другими:
Подшипник 50309 — Условие отсутствует
Подшипник 60309 — При условии демонтажа одной защитной шайбы
Подшипник 160309 — При условии демонтажа одной защитной шайбы
Подшипник 150309 — При условии демонтажа одной защитной шайбы (п/ш с канавкой)
Подшипник 80309 — При условии демонтажа 2-х защитных шайб
Подшипник 180309 — При условии демонтажа 2-х защитных шайб
Подшипник 450309 — При условии демонтажа 2-х защитных шайб
| Марка | Модель | Узел | Кол-во на узел |
|---|---|---|---|
| Автопогрузчик | 4016 | Грузоподъемник | 1 |
| Автопогрузчик | 4017 | Грузоподъемник | 1 |
| БелАЗ | 549(75т) | Коробка отбора мощности | 1 |
| БелАЗ | 7420-9590 | Вентилятор: редуктор привода | 1 |
| БелАЗ | 7420-9590 | Электродвигатель | 1 |
| БелАЗ | 7509 | Коробка отбора мощности | 2 |
| БелАЗ | 75091(75т) | Коробка отбора мощности | 2 |
| БелАЗ | 7519 | Коробка отбора мощности | 3 |
| БелАЗ | 75191(110т) | Коробка отбора мощности | 2 |
| БелАЗ | 75211(180т) | Коробка отбора мощности | 3 |
| КАЗ | 4540 | Сцепление | 1 |
| КАЗ | 4540 | Сцепление | 1 |
| КЗКТ | Э538ДК | Двигатель | 2 |
| КЗКТ | Э538ДП | Двигатель | 2 |
| Комбайн | Дон-1200 | Коробка диапазонов | 1 |
| Комбайн | Дон-1200 | Коробка диапазонов скоростей: сцепление | - |
| Комбайн | Дон-1500 | Коробка диапазонов | 1 |
| Комбайн | Дон-1500 | Коробка диапазонов скоростей: сцепление | - |
| Комбайн | Дон-1500А | Коробка диапазонов | 1 |
| Комбайн | Дон-680 | Коробка диапазонов | 1 |
| Комбайн | Дон-680 | Редуктор питателя | 3 |
| Комбайн | Дон-680 | Редуктор ускорителя | 3 |
| Комбайн | Дон-680 | Стакан редуктора цилиндрического | 1 |
| Комбайн | Енисей-1200 | Коробка передач | - |
| Комбайн | КЗС-3 | Коробка диапазонов: вал вторичный | - |
| Комбайн | Колос | Коробка передач | - |
| Комбайн | КОП-1.4 | Измельчитель | - |
| Комбайн | КСК-100А/А1 | Мост ведущий: коробка передач, валы и шестерни | - |
| Комбайн | КСКУ-6 | Барабан | - |
| Комбайн | Нива | Коробка передач | 1 |
| Комбайн | Нива | Коробка передач: вал | - |
| Косилка | КПС-5Г | Коробка передач | - |
| МАЗ | 537 | Двигатель | 2 |
| МАЗ | 537Г | Двигатель | 2 |
| МАЗ | 538 | Двигатель | 2 |
| МАЗ | 543 | Двигатель | 3 |
| МАЗ | 543 | Двигатель: система охлаждения | 2 |
| МАЗ | 5434 | Коробка раздаточная | 1 |
| МАЗ | 5464 | Коробка раздаточная | - |
| МАЗ | 547 | Двигатель | 3 |
| МАЗ | 547 | Двигатель: система охлаждения | 1 |
| МАЗ | 7310 | Двигатель | 3 |
| МАЗ | 7310 | Двигатель: система охлаждения | 1 |
| МАЗ | 73101 | Двигатель | 3 |
| МАЗ | 73101 | Двигатель: система охлаждения | 2 |
| МАЗ | 7410 | Двигатель | 3 |
| МАЗ | 7410 | Двигатель: система охлаждения | 2 |
| Трактор | ДТ-20 | Передача конечная: вал ведущий | 4 |
| Трактор | ДТ-75МВ | Ролик поддерживающий | 4 |
| Трактор | МТЗ-100 | Корпус КП: опора задняя первичного вала | - |
| Трактор | МТЗ-102 | Корпус КП: опора задняя первичного вала | - |
| Трактор | Т-150 | Ролик поддерживающий: ось | 4 |
| Трактор | Т-151К с двигателем СМД-62/63 | Двигатель, пусковой двигатель: вал редуктора | - |
| Трактор | Т-16 | Передача конечная | 4 |
| Трактор | Т-25 | Передача бортовая | 4 |
| Трактор | Т-25А | Передача бортовая | - |
| Трактор | Т-40 | Вал отбора мощности боковой | 1 |
| Трактор | Т-40А | Вал отбора мощности боковой | 1 |
| Трактор | Т-40АМ | Вал отбора мощности боковой | - |
| Трактор | Т-40АНМ | Вал отбора мощности боковой | - |
| Трактор | Т-40М | Вал отбора мощности боковой | - |
| Трактор | Т-75МВ с двигателем А-41 | Ролик поддерживающий | - |
| Трактор | ТТ-4М | Вал отбора мощности | - |
| Трактор | ТТ-4М-01 | Вал отбора мощности | - |
| Трактор | ХТЗ-16131 (кроме двигателя) | Вал отбора мощности: вал промежуточный | - |