Подшипники гост
Интернет-магазин
8-800-250-16-58
Обратный звонок

Заказ обратного звонка




Эл. почта:
info@amost.ru
Свои заказы Корзина пуста





Получать прайс-лист на email:

Чтобы отписаться от рассылки, введите e-mail, на который вы получаете наши письма:

 

Поиск подшипников

Масса и размеры

Внутренний диаметр d, мм

От  до 

Наружный диаметр D, мм

От  до 

Ширина b, мм

Применяемость

Раздел каталога

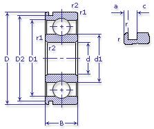
Подшипник шариковый радиальный однорядный с канавкой на наружном кольце

50209 АШ1 ГОСТ 520

Отечественный
Импортный

Производитель



уточнять наличие
Обозначение 50209 АШ1 ГОСТ 520
Внутренний диаметр, d (мм) 45
Наружный диаметр, D (мм) 85
Ширина, В (мм) 19
Масса, m (кг) 0.4200
Грузоподъемность динамическая, C (kN) 36.4
Грузоподъемность статическая, Co (kN) 21.6
Ном. частота вращен. при пластич. смазке, n grease (1/min) 7500
Марка стали, Материал ШХ-15
Диаметр шарика, d шарика (мм) 12.7
Количество шариков, N шариков 9
Ном. частота вращен. при жидк. смазке, n oil (1/min) 9000
50209 АШ1 ГОСТ 520
Марка Модель Узел Кол-во на узел
Подшипники ГАЗ 2121 Niva Дифференциал 1
Подшипники ГАЗ 21213 Коробка раздаточная: дифференциал, опора передняя -
Подшипники ГАЗ 3307 Коробка передач 1
ГАЗ 53-112 Коробка передач -
ГАЗ 53-12 Коробка передач 1
ГАЗ 53А Коробка передач 1
ГАЗ 53А Коробка передач: вал первичный 1
ГАЗ 53Б Коробка передач 1
ГАЗ 66 Коробка передач 1
ГАЗ 66-01 Коробка передач: вал первичный 1
ГАЗ 66-02 Коробка передач: вал первичный 1
ГАЗ 66-04 Коробка передач: вал первичный 1
ГАЗ 66-05 Коробка передач: вал первичный 1
ГАЗ 66-11 Коробка передач 1
ГАЗ 66-12 Коробка передач 1
ГАЗ САЗ 3502 Коробка передач 1
ГАЗ САЗ 3503 Коробка передач 1
ГАЗ САЗ 53Б Коробка передач 1
КАвЗ 685М Коробка передач 1
КАвЗ 685М Коробка передач 1
МоАЗ 546П-Д357П Коробка отбора мощности 1
МоАЗ 6401-9585 Коробка отбора мощности 1
ПАЗ 3201 Коробка передач 1
ПАЗ 3205 Коробка передач 1
ПАЗ 3205 Коробка передач: вал первичный, опора задняя 1
ПАЗ 672 Коробка передач 1
САЗ 3502 Коробка передач -
САЗ 3502 Коробка передач: вал первичный 1
САЗ 3507 Коробка передач -
САЗ 3507 Коробка передач: вал первичный 1
Бренд Обозначение
ГПЗ 50209
SKF 6209N
FAG 6209N
NSK 6209N
Товар добавлен в корзину
Перейти в корзину ×