Подшипники гост
Интернет-магазин
8-800-250-16-58
Обратный звонок

Заказ обратного звонка




Эл. почта:
info@amost.ru
Свои заказы Корзина пуста





Получать прайс-лист на email:

Чтобы отписаться от рассылки, введите e-mail, на который вы получаете наши письма:

 

Поиск подшипников

Масса и размеры

Внутренний диаметр d, мм

От  до 

Наружный диаметр D, мм

От  до 

Ширина b, мм

Применяемость

Раздел каталога

Подшипник роликовый радиальный с короткими цилиндрическими роликами однорядный с бортами на наружном кольце и с однобортовым внутренним кольцом

42207 КМ ТУ 37.006.060

Отечественный
Импортный

Производитель



уточнять наличие
Обозначение 42207 КМ ТУ 37.006.060
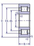
Внутренний диаметр, d (мм) 35
Наружный диаметр, D (мм) 72
Ширина, В (мм) 17
Масса, m (кг) 0.326
Грузоподъемность динамическая, C (kN) 31.9
Грузоподъемность статическая, Co (kN) 17.6
Ном. частота вращен. при пластич. смазке, n grease (1/min) 9000
Ном. частота вращен. при жидк. смазке, n oil (1/min) 11000
Диаметр борта наружного кольца, D1(mm) 58.2
Диаметр борта внутреннего кольца, d1 (mm) 47.13
Радиус фаски, r1, r2 min (мм) 1.1
Размеры ролика, dxl (мм) 9х9
42207 КМ ТУ 37.006.060

Этот подшипник может быть заменен другими:

Подшипник 62207 — Упорное внутреннее кольцо изъять

Марка Модель Узел Кол-во на узел
Подшипники ГАЗ 3307 Коробка передач 1
ГАЗ 53-112 Коробка передач -
ГАЗ 53-12 Коробка передач 1
ГАЗ 53А Коробка передач 1
ГАЗ 53А Коробка передач: вал промежуточный, опора передняя блока шестерен 1
ГАЗ 53Б Коробка передач 1
ГАЗ 66 Коробка передач 1
ГАЗ 66-01 Коробка передач: вал промежуточный, блок шестерен 1
ГАЗ 66-02 Коробка передач: вал промежуточный, блок шестерен 1
ГАЗ 66-04 Коробка передач: вал промежуточный, блок шестерен 1
ГАЗ 66-05 Коробка передач: вал промежуточный, блок шестерен 1
ГАЗ 66-11 Коробка передач 1
ГАЗ 66-12 Коробка передач 1
ГАЗ САЗ 3502 Коробка передач 1
ГАЗ САЗ 3503 Коробка передач 1
ГАЗ САЗ 53Б Коробка передач 1
ЗИЛ 137Б Коробка отбора мощности 1
КАвЗ 685М Коробка передач 1
Комбайн КСК-100А/А1 Коробка передач с механизмами реверса -
ПАЗ 3201 Коробка передач 1
ПАЗ 3205 Коробка передач 1
ПАЗ 3205 Коробка передач: вал промежуточный, опора передняя блока шестерен 1
ПАЗ 672 Коробка передач 1
САЗ 3502 Коробка передач -
САЗ 3502 Коробка передач: вал промежуточный, блок шестерен 1
САЗ 3507 Коробка передач -
САЗ 3507 Коробка передач: вал промежуточный, блок шестерен 1
Бренд Обозначение
ГПЗ 42207
SKF NJ207
FAG NJ207
NSK NJ207
Товар добавлен в корзину
Перейти в корзину ×